Version en ligne

Tutoriel : Apprenez à utiliser SolidWorks

Table des matières

Apprenez à utiliser SolidWorks
Présentation et préparation de SolidWorks
Présentation
Comment acquérir SolidWorks ?
Paramétrer SolidWorks
Comment modéliser dans SolidWorks ?
Vous avez dit modéliser ?
Le fonctionnement de la CAO
Exercice de présentation
Comment créer une esquisse ?
Créer une esquisse
Les formes
La cotation
La cotation des objets
La cotation avancée
Les relations
Les relations, qu'est-ce que c'est ?
Liste des relations
L'arbre de création
A quoi sert l'arbre de création ?
Fonctionnalités
La géométrie
Introduction
Les plans
Les axes
Les points
Les hélices
Ajouter de la matière
Extrusion
Révolution
Balayage
Lissage
Enlever de la matière
Extrusion
Révolution
Balayage et lissage
Autres outils volumiques
Le congé
La coque
Le dôme
L'enroulement
La répétition et la symétrie
Mise en place
Créer un nouvel assemblage
Importer des pièces
Contraindre des pièces
Introduction
Liste des contraintes
Les esquisses 3D et les courbes projetées
Les esquisses 3D
Les courbes projetées
Générer une surface
Surface plane
Extrusion et révolution
Lissage et surfaces frontières
Décaler une surface
Outils pour modifier la surface
Restreindre une surface
Coudre et congédier des surfaces
Introduction
La tôlerie, qu'est-ce que c'est ?
Créer une pièce de tôlerie
Outils pour la tôlerie
Plis de tôles
Trous et emboutissages
Etat déplié
L'animation
Introduction
Création des pièces
Assemblage
Animation
Enregistrer la vidéo
Le rendu avec Photoview 360
Présentation de l'interface
Fonctionnalités
Paramètres
Rendu
TP : Un boulon
La vis
L'écrou
TP : Un pneu
Les consignes
Le cylindre
Les empreintes
L'évidement
Exercice : Un moteur
Introduction
Le piston
La bielle
Le vilebrequin
L'axe et le joint
Le carter 1/3
Le carter 2/3
Le carter 3/3
L'assemblage
Exercice : Une courroie
Introduction
Les pièces
La courroie
Exercice : Une Lamborghini !
Présentation
Mise en place des Blueprints
La carrosserie et les roues

Apprenez à utiliser SolidWorks

Bonjour à tous !

Ce tutoriel a pour but de vous apprendre à manier le logiciel SolidWorks. Très complet et payant, Solidworks est souvent utilisé dans un cadre professionnel. Cependant, il existe des licences étudiantes valables un an. ;)
Il permet de modéliser des pièces variées, des surfaces, et de les assembler par la suite, ainsi que de les soumettre à une batterie de tests.

Aucune connaissance en 3D ou dessin industriel n'est demandée ! :D

Exemples de réalisations :
Image utilisateurImage utilisateurImage utilisateur
(voir introduction : "Comment modéliser sur SolidWorks")

Qu'est-il prévu d'aborder dans ce cours ?

Ce cours abordera les fonctions principales que propose SolidWorks :

Quelques exercices sont également disponibles à la fin de ce tuto.

J'éspère que Solidworks ainsi que ce tutoriel vont vous plaire, bonne lecture ! ;)

Présentation et préparation de SolidWorks

Présentation

Bienvenu dans le premier chapitre de ce tuto ! :)

Vous allez pouvoir avoir une première approche de la manière de procéder pour réussir à modéliser une pièce avec SolidWorks.

Présentation

Présentation et préparation de SolidWorks Comment acquérir SolidWorks ?

Présentation

SolidWorks et un logiciel de CAO.
Il a été créé en 1993 et a été acheté en 1997 par la société Dassault Systèmes.

Ce logiciel est différent de logiciel de 3D comme Maya, Blender, 3DS Max, et j'en oublie, car il ne s'agit pas de créer un maillage, un ensemble de points, faces... mais de directement créer des volumes à partir d'esquisses.

Ce logiciel sert à des ingénieurs, des concepteurs pour l'élaboration de plans de pièces mécaniques, de prévisualisation 3D, ...
Ce logiciel est donc utilisé par des entreprises ayant comme secteurs d'activité l'industrie, la médecine, les transports, la grande consommation, les sciences, etc.
Il est relativement facile à utiliser et à prendre en main, et est également très répandu dans les collèges et lycées, et dans les filières technologiques, où les élèves et étudiants l'utilisent pour les sciences de l'ingénieur et la technologie.


Présentation et préparation de SolidWorks Comment acquérir SolidWorks ?

Comment acquérir SolidWorks ?

Présentation Paramétrer SolidWorks

Comment acquérir SolidWorks ?

C'est la première question à se poser bien évidement !

SolidWorks étant un logiciel complet et professionnel, il est relativement cher. :(
Cependant, il existe, pour les étudiants, une version spéciale, pour 12 mois.
Je vous invite donc à vous rendre sur leur site : site de SolidWorks.

Sinon, et bien ... Trouvez une solution pour l'acquérir, ne serait-ce qu'en l'utilisant avec votre collège ou lycée, car il est très répandu dans les filières technologiques. ;)

En tous cas, il est préférable de l'avoir pour suivre ce tuto.
Après l'avoir installé, vous pouvez continuer le tutoriel.


Présentation Paramétrer SolidWorks

Paramétrer SolidWorks

Comment acquérir SolidWorks ? Comment modéliser dans SolidWorks ?

Paramétrer SolidWorks

SolidWorks est assez intuitif, et modéliser une pièce est assez rapide contrairement à d'autres logiciels de CAO.
Cependant, il existe quelques astuces pour se simplifier le travail, mais vous n'êtes bien évidement pas obligé de les utiliser.
Pour ma part, j'utilise SolidWorks 2010.

Passons aux choses sérieuses ! :pirate:

Lancez SolidWorks.

Ecran d'accueil

Mais ! C'est tous gris !

Ne vous inquiétez pas ! C'est normal. :p
Ceci est l'écran d'accueil de SolidWorks.
Vous remarquez les différentes parties de l'interface :

Image utilisateur
  1. Nouveau fichier (Pièce, Assemblage, ...)

  2. Ouvrir un projet existant

  3. Zone de dessin

  4. Apparence/Scène

Voici les principales parties constituant l'interface de SolidWorks.

Pour creer un nouveau projet, vous l'aurez deviné, cliquez sur "Nouveau".
Là, une fenêtre apparait pour nous demander quelle sorte de projet nous voulons créer.

Image utilisateur

3 choix s'offrent à vous :

Nous reviendrons sur sur ces parties plus tard.

Cliquez sur "Pièce", puis "OK".
Vous devriez voir apparaître devant vos yeux ébahis, l'interface garnie d'onglets, de boutons et de menus ! :D

Image utilisateur

Mais, j'ai ouvert une nouvelle pièce, mais je n'ai pas les boutons n°6 !

Bien vu ! ;)
Mon interface à moi a quelque peu changé par rapport à une interface classique.
Mais ne vous en faîtes pas, on va voir ensemble comment personnaliser votre environnement de travail.
Tout d'abord, les numéros :

  1. Vous reconnaissez les boutons "Nouveau", "Ouvrir", et "Enregistrer".

  2. Les Options !

  3. Le bandeau principal, que nous utiliserons le plus souvent.

  4. Diverses icônes : Vue en coupe, Zoom, Apparence, Vues, ...

  5. L'Arbre de conception.

  6. Un autre bandeau, que l'on utilisera pour les surfaces.

Nous reviendrons sur tout cela prochainement bien sûr, mais là n'est pas le sujet.
Pour personaliser l'interface, cliquez sur la flèche sur le côté du bouton "Option". Une liste apparaît, cliquez sur "Personaliser".

Image utilisateur

Cochez ensuite "Surfaces" et "Tôlerie", ce qui aura pour effet d'ajouter à votre interface les barres d'outils correspondantes.

Image utilisateur

Cliquez ensuite sur l'onglet "Clavier", pour accéder aux raccourcis.
Sélectionnez ensuite "Autre" dans la liste déroulante. Puis effectuez les modifications des raccourcis clavier, à votre guise bien sûr, pour faciliter votre travail ultérieurement.

Image utilisateur

Si vous choisissez "Num 1" pour "Face", cela voudra dire que quand vous voudrai orienter la vue sur le "devant" de la pièce, vous appuierai sur : 1
Et ainsi de suite pour l'arrière, le dessus, le coté gauche, droit de votre pièce.

Voilà donc votre interface personalisée.
Bien évidement, vous pouvez ajouter de nouveau raccourci vous-même, vous savez maintenant comment faire. ^^


Comment acquérir SolidWorks ? Comment modéliser dans SolidWorks ?

Comment modéliser dans SolidWorks ?

Paramétrer SolidWorks Vous avez dit modéliser ?

Maintenant que notre interface est bien personnalisée, que l'on sait comment créer un projet, attardons nous un peu sur des points importants pour comprendre comment procéder pour arriver à créer une pièce et un assemblage. ;)

Vous avez dit modéliser ?

Comment modéliser dans SolidWorks ? Le fonctionnement de la CAO

Vous avez dit modéliser ?

Oui ! Modéliser. ;)
C'est le terme couramment employé quand on fait de la 3D.
Cela signifie en quelque sorte que l'on va créer une forme à l'aide des outils du logiciel.
SolidWorks est un logiciel de CAO. Le fonctionnement est bien différent d'autres logiciels de 3D (Blender, Maya,...), car on ne va pas utiliser de maillage pour modéliser, mais bien des esquisses, auxquelles on va donner du volume.
C'est pour cela que ce logiciel est surtout utilisé par l'industrie, pour modéliser des objets techniques.

Si vous espériez apprendre à modéliser un humain, à moin que celui-ci soit un robot humanoïde, vous frappez à la mauvaise porte ! :p


Comment modéliser dans SolidWorks ? Le fonctionnement de la CAO

Le fonctionnement de la CAO

Vous avez dit modéliser ? Exercice de présentation

Le fonctionnement de la CAO

Nous avons rencontré dans les précédentes parties, quelques mots de vocabulaire.
Nous allons les expliquer, et approfondir un peu sur la manière de procéder pour modéliser une pièce, pour que les choses soient claires.

Les projets

Vous vous souvenez ? La fenêtre qui apparaît quand on clique sur "Nouveau" ?
:euh:
Vous avez déjà oublié !
Bon, rappel :

Image utilisateur

La pièce, vous avez du comprendre, c'est une partie du projet. c'est une petite entité que l'on modélise.
Les pièces sont ensuite assemblées dans ? un Assemblage ! :lol:
Rien de compliqué !

Les esquisses

Les esquisses sont des petits "dessins" qui donnent le profil de votre pièce.
Ne paniquez pas si vous ne comprenez pas tout dans ce chapitre, on y reviendra.

Donner du volume

Dans tous logiciel de CAO, vous avez les mêmes outils qui vous permettent de donner du volume à vos esquisses.
On a :

Euh ... :euh:

Ne vous inquiétez pas ! Nous allons juste passer en revue les différentes fonctions qui caractérisent la CAO.

Les surfaces

La partie "surfacique" de SolidWorks permet comme son nom l'indique, de créer des surfaces. :D
Une surface est un objet, défini par des esquisses, et qui a une épaisseur nulle.
Rappelez vous, dans le chapitre sur la personnalisation, je vous ai demandé de cocher la cases "Surfaces" pour activer la barre d'outil du même nom.
Comme vous pouvez le voir, il existe différentes manières de générer des surfaces :

La tôlerie

La tôlerie constituera une courte partie, car elle n'est pas beaucoup utilisée.
Elle consiste a générer une plaque de tôle, et de la tordre, de la découper, ...
Vous aurez ensuite la possibilité de la déplier (histoire d'avoir un patron) et vous pourrez entre autres exporter cette pièce en DWG, pour une utilisation sur AutoCAD par exemple. ;)

Le rendu sur Photoview 360

Cela constitue la dernière partie de ce tutoriel.
Vous apprendrez les bases pour rendre une belle image de votre travail. ^^


Vous avez dit modéliser ? Exercice de présentation

Exercice de présentation

Le fonctionnement de la CAO Comment créer une esquisse ?

Exercice de présentation

Si vous venez de vous lancer dans la CAO, les quelques notions que je vous ai données précédemment ont sûrement dû vous sembler un peu floues. :p
Je propose donc, pour les débutants, un exercice pratique pour se familiariser directement avec SolidWorks.
Nous allons y voir quelques fonctionnalités pour bien démarrer sur SolidWorks.

Notre petit exercice consistera à modéliser cette petite pièce :

Image utilisateur

Nous allons donc commencer à utiliser plus concrètement SolidWorks.
Vous êtes bien entendu prêt, avec une nouvelle pièce ouverte. :p

On se rappelle les étapes pour modéliser en CAO ?

Simple non ? ;)

Créer une esquisse

Au niveau du bandeau principal, vous remarquerez les onglets : "Fonctions", Esquisse", etc.
Cliquez donc sur l'onglet "Esquisse" :

Image utilisateur

De nouveaux boutons apparaissent !
Pour créer une nouvelle esquisse, rien de sorcier, cliquez sur "Esquisse".

Image utilisateur
Choisir son plan

Les plans sont les supports de nos esquisses. Comme c'est un plan, il est... plat ! :lol:
Au début de la conception de votre pièce, vous avez 3 plans qui vous sont proposés :

Je ne les vois pas ! Où sont-ils ?

Petit flash-back :

Image utilisateur

Vous vous rappelez ? Le numéro 5 ?
:euh:
Il s'agit de l'Arbre de Conception.
Ici vont s'ajouter toutes vos esquisses et vos objets crées avec celles-ci.
Mais, me direz-vous, on ne le voit plus quand on a cliqué sur le bouton "Esquisse".
Eh bien pourtant il y est :

Image utilisateur

Un peu à côté je vous l'accorde, mais il est là ! :D
Vous n'avez qu'à cliquer sur le "+".

Comme vous pouvez le voir, nos trois plans sont là :

Image utilisateur

Pour modéliser notre pièce, nous commencerons par une esquisse sur le plan de dessus.

Cliquez donc sur le plan de dessus.
Vous voilà donc fin prêt à commencer à dessiner !

Commencer à dessiner

Regardez ensuite le bandeau principal :

Image utilisateur

Vous observez une série de boutons, mais n'y faites pas attention pour le moment, nous n'allons nous intéresser qu'à quelques uns pour cet exercice.
Commençons par esquisser un rectangle, à l'aide de ce bouton :

Image utilisateur

Dans votre l'espace au centre de l'écran, dessinez un rectangle.

Coter l'esquisse

Le rectangle est dessiné, mais il va falloir lui donner des mesures précises. C'est le rôle de la cotation.

Coter, c'est absolument nécessaire. :p

Pour coter, il faut cliquer ici :

Image utilisateur

Votre curseur se modifie. Cliquez simplement sur un coté du rectangle, cliquez ensuite un peu plus loin, puis, dans la fenêtre qui s'affiche, donnez la valeur de la cote :

Image utilisateur

Notre rectangle fera 50 mm par 100 mm. ;)

Terminez votre esquisse en appuyant sur :

Image utilisateur
Donner du volume

À partir de cette esquisse, nous allons obtenir un pavé !
Comment ? C'est très simple : on va extruder notre esquisse !

Extru-quoi ? o_O

L'extrusion consiste simplement à "tirer" sur l'esquisse pour la mettre en volume, selon une direction donnée.
Cette direction est par défaut perpendiculaire au plan de l'esquisse.
Regardez le bandeau principal :

Image utilisateur

Sélectionnez votre esquisse, cliquez sur "Basse/Bossage extrudé", un panneau apparait à gauche, et votre esquisse prend du volume !
Là ou il y a écrit "10.00 mm", ecrivez "20" :

Image utilisateur

Validez votre fonction en appuyant sur :

Image utilisateur

Et voici votre pavé !

Enlever du volume

Créez une autre esquisse sur la face du dessus. Pour ce faire, cliquez sur cette face puis sur le bouton esquisse (

Image utilisateur

).
Dessinez un cercle, en appuyant sur ce bouton :

Image utilisateur

Placez votre cercle vers le centre, et donnez-lui un diamètre de 20 mm :

Image utilisateur

Terminez votre esquisse en appuyant sur :

Image utilisateur

Ce cercle va nous servir à trouer le pavé.
Dans le bandeau principal, cliquez sur :

Image utilisateur

Il s'agit de la fonction "Enlèvement de matière extrudé". C'est l'inverse de l'extrusion que nous avions vu précédemment : là, nous enlevons de la matière.
Dans le panneau qui apparait à gauche, semblable à celui de l'extrusion, écrivez "20" à la place du "10.00 mm".
Validez votre fonction en appuyant sur :

Image utilisateur

Votre pavé est troué !

"Arrondir" les angles

Le terme exact est "congédier", c'est à dire appliquer un "congé".
Il existe une fonction spéciale sur SolidWorks.
Dans le bandeau principal, repérez et appuyez sur :

Image utilisateur

Un panneau apparait, vous pouvez alors sélectionner les arrêtes de votre pavé à arrondir, en cliquant simplement dessus :

Image utilisateur

Validez votre fonction en appuyant sur :

Image utilisateur

L'exercice est terminé !
Je le répète : si vous êtes perdus, ne vous en faîtes pas ! Vous comprendrez en lisant le reste du tuto ! ;)


Le fonctionnement de la CAO Comment créer une esquisse ?

Comment créer une esquisse ?

Exercice de présentation Créer une esquisse

La première chose que l'on est en droit de se poser est : Comment créer une esquisse, et à quoi peut-elle bien servir concrètement ?
Ce chapitre est là pour y répondre. ;)

Créer une esquisse

Comment créer une esquisse ? Les formes

Créer une esquisse

Si vous avez fait l'exercice précédent, vous devez être incollable sur la création d'esquisse !
Un petit résumé s'impose, avant d'approfondir vos connaissances sur les esquisses. ;)

Pour créer une esquisse :
Cliquez sur l'onglet "Esquisse", puis sur "Esquisse".

Image utilisateur

Choisissez parmi les plans proposés (ou bien sur un face de votre pièce).

Image utilisateur

Pour valider une esquisse, il vous suffit de cliquer à nouveau sur :

Image utilisateur

Comment créer une esquisse ? Les formes

Les formes

Créer une esquisse La cotation

Les formes

Vous avez donc sélectionné votre plan, vous pouvez commencer à faire votre esquisse.
Une esquisse est en fait un dessin, qui doit avoir un profil fermé. (Sauf dans certains cas comme le surfacique)

Commencer à dessiner

Regardez ensuite le bandeau principal :

Image utilisateur

Vous observez une série de boutons :

Il reste quelques autres boutons, mais ils sont moins utilisés. Vous pourrez ultérieurement les essayer.
Nous allons donc les voir un par un :

La ligne

Cliquez sur le bouton "Ligne".
Votre curseur se modifie.

Cliquez n'importe où sur la zone de travail, une ligne apparait !

Image utilisateur

Cliquez sur un autre endroit sur la zone de travail, cela termine la ligne.
Vous pouvez alors sélectionner l'un des points aux extrémités de la ligne, et le déplacer.
Voilà ! Une ligne !

La ligne de construction

La ligne de construction est très utile. Elle permet de créer un ligne qui reliera deux points, ou qui permettra de contraindre des éléments (voir contraintes), sans être considérée comme une partie du dessin : une fois l'esquisse crée, la ligne de construction n'a plus d'utilité pour la mise en volume de l'esquisse.

Une ligne de construction ressemble à ça :

Image utilisateur

Comme vous pouvez le voir, elle est en pointillé.

Pour en créer une, vous avez deux possibilités :
Soit vous créez une ligne normale, comme vous savez le faire, puis vous cliquez dessus et vous cochez "Pour la construction" dans le panneau des propriétés qui est apparu :

Image utilisateur

Ou bien vous la créez directement, grâce au bouton apparaissant quand vous cliquez sur la flèche à coté du bouton "Ligne" :

Image utilisateur
Le cercle

Même manipulation : cliquez sur l'icône
Cliquez n'importe où sur la zone de travail, vous placez ainsi le centre de votre cercle.
Déplacez votre curseur plus ou moins loin du centre pour augmenter le diamètre.

Je vais maintenant refaire une courte parenthèse. ^^

Les points remarquables

Il existe quelques points remarquables :

Je vous fait cette remarque pour vous permettre de commencer vos cercles, lignes, carrés, etc. à partir de ces points.

Le rectangle

Cela permet de créer... un rectangle !

L'arc de cercle

Cela permet de créer un arc de cercle en spécifiant le centre de l'arc, le point de départ et d'arrivée.

La spline

Qu'est-ce que c'est que cette bête là ? o_O

Image utilisateur

Il s'agit d'une courbe, passant pas plusieurs points.
Une fois que vous avez créé cette courbe, vous avez la possibilité de changer la forme de cette courbe grâce à des poignées :

Image utilisateur

Comme ceci par exemple :

Image utilisateur

Faites le test, tirez sur les poignées, et vous verrez votre spline changer.
Les splines sont très utilisées pour modéliser des voitures en surfacique.

Le texte

Le texte peut parfois être utile, si vous avez la flemme de tracer vous-même vos lettres avec des lignes ! :D
Pour écrire un phrase :
Créez une ligne de construction :

Image utilisateur

Sélectionnez-la en cliquant dessus, puis cliquez sur le bouton "Texte". Un panneau apparait sur le côté :

Image utilisateur

Vous observez les éléments suivants :

  1. Valider

  2. Le nom de votre "ligne guide"

  3. Le cadre où vous écrirez votre texte

  4. Les options de mise en forme du texte (gras, italique, centré, ajusté, retourné, ...)

  5. Une case cochée :o

Maintenant, écrivez votre texte dans la case prévue à cet effet. Par exemple "Vive les zér0s" :

Image utilisateur

Comme vous le voyez, le texte s'ajoute le long de votre ligne guide.
Grâce aux options de mise en forme, vous pouvez obtenir ceci par exemple : :soleil:

Image utilisateur

C'est vrai qu'on peut faire beaucoup de chose avec le texte mais on peut pas changer la police ? :euh:

Bien sûr que si !
Par défaut, SolidWorks utilise la "police du document".
Vous pouvez la modifier dans les "options", mais il existe un autre moyen : décochez la case en bas du panneau.
Cliquez ensuite sur "Police...", une fenêtre s'ouvre :

Image utilisateur

Vous pouvez maintenant choisir la police, la taille, l'espacement, les effets, ...
Pour quitter l'édition du texte, cliquez sur "Valider" :

Image utilisateur
Les outils biens utiles

Nous allons nous intéresser à des outils, également situés dans le bandeau principal, qui permettent de nous simplifier le travail.
Voici le bandeau :

Image utilisateur

Expliquons tous cela :

Ajuster

Rien ne vaut un bon exemple pour bien comprendre :
Imaginez que vous avez deux droites sécantes:

Image utilisateur

Vous souhaitez ne garder que la partie basse. Vous utiliserez l'outil "Ajuster" :

Image utilisateur

Vous n'avez qu'à rester appuyé sur le bouton gauche de la sourie. Un trait gris apparait. Il vous suffit alors de déplacer la sourie vers les objets à ajuster.
Vous constaterez qu'au point d'intersection entre le passage de votre sourie, et l'objet (ici la ligne), un carré rouge apparait.

Convertir les entités

Ce bouton nous servira plus tard, dans la partie surfacique. Il permet de convertir un profil de surface en une esquisse.

Décaler

L'outil "Décaler" permet de créer un contour à l’intérieur ou à l'extérieur de votre contour original :

Image utilisateur

Un contour jaune apparait, vous donnant ainsi une idée du contour que vous voulez ajouter.
Sur le panneau à gauche, vous pouvez changer la distance de décalage (ici 2mm) ou encore inverser la direction du contour (intérieur ou extérieur).

Symétrie

Imaginez que vous deviez faire un contour qui comporte deux parties symétriques :

Image utilisateur

N'auriez vous pas la flemme de tout redessiner à côté ? :p
La symétrie simplifie grandement le travail :
Faite votre forme à symétriser:

Image utilisateur

Placez l'axe de symétrie en ligne de construction :

Image utilisateur

Sélectionnez le tout, puis cliquez sur le bouton "symétrie" :

Image utilisateur

Et voici votre forme symétrisée : :D

Image utilisateur
Répétition

Il existe deux formes de répétition : La répétition linéaire et la répétition circulaire.

Image utilisateur

La répétition linéaire consiste à répéter un motif selon une direction. Sélectionnez le motif à répéter, puis cliquez sur répétition linéaire :

Image utilisateur

Comme vous pouvez le voir, le motif sélectionné (ici le cercle) s'est répété autant de fois que je l'ai demandé : 4 fois.
Il se répète le long de l'axe X.
La distance qui sépare chaque motif est 6 mm.
Il y a aussi possibilité de donner une "direction 2" :

Image utilisateur
Les outils de disposition

Nous avons :

Image utilisateur
Déplacer

Cet outil s'avérera très utile pour déplacer un objet ou groupe d'objet d'un point à un autre :

Image utilisateur

Sélectionnez le motif à déplacer, choisissez un point de départ, puis déplacez le tout vers un autre point. ;)

Copier

Pour la copie, c'est pareil, sauf que le motif d'origine ne bougera pas.

Faire pivoter

Toujours le même principe : choisissez un point de rotation, et choisissez l'angle :

Image utilisateur
Mettre à l'échelle

Toujours pareil !
La mise à l'échelle permet de redimensionner un objet tout en gardant ses proportions.

Étirer

Cet outil ne va pas nous servir.
Mais nous allons quand même le voir. :)

Image utilisateur

En fait, cet outil sert à...étirer.

Voilà ! Ça en est fini avec les formes !


Créer une esquisse La cotation

La cotation

Les formes La cotation des objets

Vous savez maintenant comment créer une esquisse, et y dessiner des formes.
Mais ce qui est tout aussi important, c'est de coter ces formes !
C'est le sujet de ce chapitre. :p

La cotation des objets

La cotation La cotation avancée

La cotation des objets

Rappel : La cotation permet de donner une certaine mesure à un objet (ligne, cercle, ...) ainsi que de donner une certaine mesure entre des objets.

Une cote, ça ressemble à ça :

Image utilisateur

C'est à dire, un "trait" reliant un point à un autre, avec noté au dessus sa mesure.
Vous pouvez donc dire en voyant cette cote, que la distance entre les extrémités de la ligne vaut ? 3,60 mm. ^^

Le bouton pour la cotation se trouve ici :

Image utilisateur

Cliquez donc dessus. Votre curseur se modifie.
Cliquez sur la ligne à coter. D'ici vous avez trois directions de cotation possible :

Image utilisateur

A vous de choisir, cela dépend de quelles données vous avez.
Mais, bien entendu, il n'y a pas que les lignes qui se cotent !
Les cercles, les splines, les arcs, ... se cotent aussi !

Image utilisateur

Pour le cercle, deux types de cotes s'offrent à vous :

  1. La cotation standard

  2. La cotation spécifique au diamètre

Mais le type de cotation le plus utilisé est la cotation standard.

Nous allons maintenant nous intéresser à la cotation entre objets.
Voici deux lignes :

Image utilisateur

Nous voulons que l'espace entre ces deux lignes mesure 5 mm.
Cliquez sur la première ligne avec l'outil cote actif, puis sur la deuxième. Une cote s'affiche :

Image utilisateur
Définir la valeur de la cote

Votre cote placée, une petite boîte de dialogue apparait :

Image utilisateur

Vous n'avez plus qu'à taper votre valeur : 5 puis appuyez sur Entrée
Maintenant, l'écart entre les deux lignes vaut 5 mm. :)

La cotation angulaire

Même principe, sélectionnez vos deux lignes formant un angle entre elles :

Image utilisateur

Puis cotez :

Image utilisateur

La cotation La cotation avancée

La cotation avancée

La cotation des objets Les relations

La cotation avancée

Vous maitrisez maintenant l'art de la cotation ! :p
Mais nous allons nous intéresser à un dernier petit point sur la cotation.
Quand vous commencerez à faire des projets importants, comme des voitures, vous aurez besoin pour vos pneus par exemple, de ce que j'appelle la cotation avancée.

Quand la boite de dialogue pour spécifier la valeur de la cote s'ouvre, vous observez une flèche à droite de la zone ou vous entrez votre valeur :

Image utilisateur

Cliquez dessus, une liste déroulante apparait :

Image utilisateur

Cliquez sur "Ajouter une équation...".
Deux fenêtres s'ouvrent, dont une calculatrice :

Image utilisateur

Dans le rectangle blanc prévu à cet effet, vous pouvez écrire l'équation donnant la valeur de votre cote.
Cette fonction est très pratique, car on a parfois besoin de "pi" pour coter certains éléments.
Une fois votre équation rentrée, validez en apuyant sur "OK". La deuxième fenêtre se dévoile alors :

Image utilisateur

Vous avez la valeur de votre équation, et donc de votre cote, vous pouvez la rééditer si vous voulez.
Validez en appuyant sur "OK". Votre cote se met à jour.


La cotation des objets Les relations

Les relations

La cotation avancée Les relations, qu'est-ce que c'est ?

Les esquisses n'ont presque plus de secrets pour vous !
Il ne vous manque qu'à étudier les relations ! :p

Les relations, qu'est-ce que c'est ?

Les relations Liste des relations

Les relations, qu'est-ce que c'est ?

Une relation lie plusieurs objets entres eux.
Elle permet de contraindre une esquisse, afin de ne pas avoir de surprises en la modifiant. Ainsi, il est fondamental de contraindre une esquisse avec des relations !

Le symbole de la relation sur SolidWorks est :

Image utilisateur

Vous vous êtes peut être déjà posé des questions, dans les chapitres précédents, quand vous voyiez, dans les exemples, des petit carrés avec un dessin dedans.

Image utilisateur

Ces petits carrés représentent des relations.
Nous allons recenser toutes les relations dans la partie suivante. ;)
Pour créer une relation, sélectionnez les objets à contraindre, puis, dans le panneau qui apparait, sélectionnez la relation que vous souhaitez ajouter :

Image utilisateur

Comme vous le voyez, la relation "perpendiculaire" s'est ajoutée.

Passons maintenant à la liste des relations.


Les relations Liste des relations

Liste des relations

Les relations, qu'est-ce que c'est ? L'arbre de création

Liste des relations

Les relations sont assez facile à utiliser. :)

Nous allons dresser la liste des principales relations proposées dans SolidWorks.

Image utilisateurHorizontale

Utilisée pour les lignes ou pour contraindre deux points ensembles, cette relation aligne les objets sur l'axe horizontal.

Image utilisateurVerticale

Utilisée pour les lignes ou pour contraindre deux points ensembles, cette relation aligne les objets sur l'axe vertical.

Image utilisateurColinéaire

Utilisée pour les lignes, cette relation aligne les lignes.

Image utilisateurPerpendiculaire

Utilisée pour les lignes, cette relation ajoute une relation de perpendicularité.

Image utilisateurParallèle

Utilisée pour les lignes, cette relation ajoute une relation de parallélisme.

Image utilisateurÉgale

Utilisée pour toute sorte d'objets, elle permet de leur donner les même dimensions.

Image utilisateurFixe

Eh bien...elle fixe l'objet. :p

Image utilisateurTangente

Utilisée entre une ligne et un cercle, ou entre une ligne et une spline, elle permet de les rendre tangent.

Image utilisateurConcentrique

Utilisée entre deux cercles ou plus, elle permet de leur donner le même centre.

Image utilisateurCoradiale

Utilisée entre deux arcs ou plus, elle permet de leur donner le même centre et le même rayon.

Image utilisateurCourbure constante

Utilisée entre deux splines, elle permet de les rendre tangente à un point.


Les relations, qu'est-ce que c'est ? L'arbre de création

L'arbre de création

Liste des relations A quoi sert l'arbre de création ?

Cette partie sera majoritairement théorique. :(
Mais elle est très importante, car l’arbre de création, comme nous allons le voir, est comment dire ? TRÈS utile. :p
Il est obligatoire de bien connaitre ses fonctionnalité et son mode de fonctionnement.

A quoi sert l'arbre de création ?

L'arbre de création Fonctionnalités

A quoi sert l'arbre de création ?

L'arbre de création, ou, comme l'appelle SolidWorks : "L'arbre de création FeatureManager", donne la hiérarchie de la conception de la pièce ou de l'assemblage. Il permet de visualiser rapidement comment et de quoi la pièce est constituée.

L'arbre de création se situe ici :

Image utilisateur

Il nous renseigne sur différentes choses :

Il vous suffit de cliquer sur une fonction pour que celle-ci se colore dans la zone de conception :

Image utilisateur

Dans la partie qui suit, nous allons nous intéresser de plus près aux fonctionnalités de l'arbre de création.


L'arbre de création Fonctionnalités

Fonctionnalités

A quoi sert l'arbre de création ? La géométrie

Fonctionnalités

L'arbre de création ne permet pas seulement de présenter la hiérarchie du projet, ou de sélectionner une fonction, il propose aussi d'autres fonctionnalités.

Fonctionnalités principales

Nous allons dresser une liste des fonctionnalités de cet arbre. Pour commencer, les fonctionnalités principales.

Renommer

Vous pouvez renommer une fonction ou une esquisse : cliquez une fois sur la fonction, attendez une demi seconde puis re-cliquez. Vous pouvez maintenant renommer votre fonction :

Image utilisateur
Éditer une fonction

Vous venez de créer une fonction, mais pour une raison x ou y vous voulez la modifier, vous le pouvez ! :D
Cliquez avec le bouton droit de la sourie sur la fonction à renommer puis cliquez ici :

Image utilisateur

Ici, la fonction à rééditer est la fonction congé, que je viens de renommer en "arrondi" plus haut.

Cacher

Voici une fonction bien utile parfois.
Vous souhaitez cacher un élément (fonction, esquisse, ...), il vous suffit de cliquez sur un bouton et pouf ! disparu ! :magicien:
Image utilisateur
Cliquez pour agrandir
La surface en rouge est une surface faite uniquement pour "restreindre" une autre surface. Il faut donc la cacher une fois la restriction effectuée.
Ne vous sentez pas perdu, ceci constituera notre chapitre sur les surfaces.

Alors, pour cacher un élément, cliquez dessus comme vous le feriez pour le rééditer, et cliquez sur l’icône :

Image utilisateur

Votre élément se cache.

Autres fonctionnalités

Les fonctionnalités vues précédemment sont les principales, les plus utilisées.
Cependant il en reste d'autres.

La création de dossiers

Une fonction utile pour les gros projets, nécessitant un grand nombre de fonctions.
Pour ajouter un dossier, cliquez sur une fonction au hasard, toujours avec le clic droit de la sourie.
Cliquez ensuite sur :

Image utilisateur

Un nouveau fichier s'est crée, il est visible dans l'arbre de création. Vous pouvez le monter ou le descendre dans la liste de fonction, et il vous suffit d'y déplacer les fonction à y inclure par simple glisser-déplacer. ;)

Maintenant, vous savez tout sur l'arbre de création ! :soleil:


A quoi sert l'arbre de création ? La géométrie

La géométrie

Fonctionnalités Introduction

Chapitre important également, car on ne fait pas de gros projets sans plans ou axes par exemple. ;)
Nous allons aussi étudier les hélices.

Introduction

La géométrie Les plans

Introduction

La géométrie telle que je vais vous la présenter se compose de deux parties :

Je les ai mis dans le même panier car c'est préférable de les voir en même temps, même si vous vous doutez bien que ce n'est pas tout à fait la même chose.

Regardez à nouveau le bandeau, la patie qui nous interesse est ici :

Image utilisateur

La partie courbe sera très rapide, et ne portera son attention que sur l'hélice.
La partie géométrie intéressera quant à elle sur :


La géométrie Les plans

Les plans

Introduction Les axes

Les plans

Cette partie est très importante.
Les plans vous servirons TOUT LE TEMPS. Il est donc logique que nous les abordions dans ce tutoriel. :D

C'est quoi un plan ?

Citation : Wikipédia

Un plan est un objet fondamental à deux dimensions. [...] il peut être visualisé comme une feuille d'épaisseur nulle qui s'étend à l'infini.

Quand vous créez une esquisse, vous dessinez sur un plan, en 2 dimensions.

Une face en temps que plan

Le plan que nous utiliserons le plus souvent est évidement une face même de notre pièce.
Pour créer une esquisse sur une face, rien de plus simple : cliquez sur la face en question, et appuyez sur ce bouton :

Image utilisateur

Vous pouvez ensuite dessiner.

L'outil plan

Pour créer un plan, cliquez sur ce bouton :

Image utilisateur

Un panneau apparait ensuite :

Image utilisateur

Comme vous pouvez le constater, l'outil plan marche avec des "références"
Il va donc falloir lui donner des renseignements pour qu'il comprenne exactement ce que l'on souhaite.
Pour ce faire nous avons plusieurs options à notre disposition.
Pour l'exemple, sélectionnez le plan de face. Les fameuses options apparaissent.

Image utilisateur

Imaginons que vous vouliez créer un plan parallèle au plan de face, espacé de celui-ci de 10 mm, vous écrirez dans la case correspondant à l'espace (sélectionnée par défaut), la valeur 10.
Cela vous génèrerai un plan comme ceci :

Image utilisateur

Jusque là, ça devrai aller.
Mais ça va légèrement se corser si vous voulez un plan perpendiculaire au plan de face.
Dans ce cas, il va falloir donner à l'outil "Plan" une autre référence : un axe.
Nous étudierons les axes dans le chapitre suivant.
Je vais donc vous faire la démonstration rapidement :

Image utilisateur

Le plan que vous allez créer est perpendiculaire au plan de face, et "passe" par l'axe 1. :D

Il existe beaucoup de combinaisons pour générer un plan. Les deux précédentes sont très utilisées, mais il reste un dernier cas à voir :
Cette option permet de générer un plan ayant un certain angle avec un plan :

Image utilisateur

Validez votre plan en appuyant sur :

Image utilisateur

Vous pouvez ensuite nommer ou renommer votre plan, ainsi que le redimensionner, en tirant simplement sur les "p'tites boules" :p :

Image utilisateur

Voilà, le principal est dit sur les plans. ;)


Introduction Les axes

Les axes

Les plans Les points

Les axes

Les axes sont moins utilisés que les plans, mais peuvent s'avérer utiles, comme nous l'avons vu dans le chapitre sur les plan.

Commençons : un axe est défini par une direction. Pensez à une droite en fait. ^^
Un axe peut servir à générer un plan, mais aussi (et surtout) à effectuer une rotation autour de celui-ci ou encore à symétriser un objet.

Pour créer un axe, cliquez sur ce bouton :

Image utilisateur

Comme pour l'outil plan, un panneau apparait :

Image utilisateur

La géométrie étant un chapitre relativement simple, je ne m'attarderai pas beaucoup.

Comme vous pouvez le voir, un axe peut être défini par :


Les plans Les points

Les points

Les axes Les hélices

Les points

Les points sont les éléments de géométrie les moins utilisés.
Un point peu servir à définir un plan ou un axe.

Cliquez sur ce bouton :

Image utilisateur

Plusieurs options s'offrent alors à vous pour créer un point :

Image utilisateur

Les axes Les hélices

Les hélices

Les points Ajouter de la matière

Les hélices

Changeons un peu de thème, fini les plan, les axes, les points ! :D
Nous allons étudier à présent les hélices.
Elles seront très utiles lors de la création d'une vis par exemple.

Pour créer une hélice, nous avons besoin d'un profil circulaire (exemple : cylindre) ou d'une esquisse ne contenant qu'un seul cercle.

Créez donc d'abord une esquisse ne contenant qu'un seul cercle.
Cliquez sur ce bouton :

Image utilisateur

Un panneau apparait :

Image utilisateur

Le vocabulaire est spécifique, il faut donc essayer de le comprendre avant toute chose :

Le pas

Citation : Wikipédia

Le pas de vis, correspond à la distance relative parcourue en translation par une vis par rapport à son écrou lors d'un tour complet. Par exemple, une vis avec un pas de 1,25 avancera de 1,25 mm lors de la rotation d'un tour pour un pas métrique.

Je ne sais pas si vous avez bien tout compris, mais en image cela donne :

Image utilisateur
La révolution

C'est le tour complet effectué par une hélice. Le nombre de révolutions correspond donc au nombre de tour effectué. ;)

Maintenant, définissons notre hélice :
Par exemple, entrez les valeur suivantes :

Image utilisateur

Voici votre hélice. :D


Les points Ajouter de la matière

Ajouter de la matière

Les hélices Extrusion

Nous allons donc attaquer la modélisation. :D
La modélisation par ajout de matière comporte trois parties :

Extrusion

Ajouter de la matière Révolution

Extrusion

Commençons par un chapitre simple, sur l'extrusion.
Rappel : L'extrusion consiste simplement à "tirer" sur l'esquisse pour la mettre en volume, selon une direction donnée.
Cette direction est par défaut perpendiculaire au plan de l'esquisse.

Tout d'abord, créez une esquisse. Prenons celle ci :

Image utilisateur

Sur le bandeau principal, cliquez ici :

Image utilisateur

Sélectionnez votre esquisse, cliquez sur "Basse/Bossage extrudé", un panneau apparait.
Voici le détail du panneau :

Image utilisateur
  1. Le sens d'extrusion

  2. Le type d'extrusion

  3. La direction d'extrusion

  4. La hauteur d'extrusion

  5. La "direction 2", qui permet d'extruder dans le sens inverse (ici vers le bas)

Vous pouvez modifier la hauteur d'extrusion bien entendu. :D

Les différents types d'extrusion

Changer le type d'extrusion peut souvent s'avérer très utile. Nous allons passer chaque cas en revue. ;)

Borgne

C'est le type d'extrusion par défaut. Il suffit de rentrer la hauteur d'extrusion.

Jusqu'au sommet

Permet d'extruder notre profil (esquisse) jusqu'à un point :

Image utilisateur
Jusqu'à la surface

Même principe que "Jusqu'au sommet" sauf que là, c'est jusqu'à une surface.

Translaté par rapport à la surface

Eh bien là, c'est une fonction que je n'ai jamais eu à utiliser. :euh: Je vous montre donc à quoi ça ressemble :

Image utilisateur
Jusqu'au corps

Toujours le même principe que "Jusqu'au sommet" sauf que là, c'est jusqu'à un corps.

Plan milieu

Fonction bien utile, qui évite d'avoir à renseigner la "direction 2". Elle permet d'extruder la même hauteur de chaque coté :

Image utilisateur

Voilà, on a fait le tour des type d'extrusion.

La direction d'extrusion

La direction d'extrusion est par défaut perpendiculaire au plan de l'esquisse.
Mais vous pouvez la changer, donner une autre direction :


Ajouter de la matière Révolution

Révolution

Extrusion Balayage

Révolution

Vous ne pensiez pas que nous allions en rester à l'extrusion ! :p
Dans cette partie, nous allons étudier la révolution, indispensable pour un objet de forme cylindrique par exemple.

Tout d'abord, passons par l'étape théorique :
Une révolution est la rotation d'un profil autour d'un axe. L'esquisse tourne autour de son axe, ce qui lui donne du volume :

Image utilisateur

Il nous faut donc obligatoirement :

C'est parti ! Créez une nouvelle esquisse, sur le plan de votre choix, semblable à celle ci-dessous :

Image utilisateur

Sortez de l'esquisse en cliquant sur le bouton :

Image utilisateur

Ensuite, sélectionnez votre esquisse et appuyez sur le bouton :

Image utilisateur

Vous obtenez ceci :

Image utilisateur

Ici l'axe de rotation est votre ligne de construction, et la révolution fait un tour complet (360°) :)


Extrusion Balayage

Balayage

Révolution Lissage

Balayage

Le balayage consiste à "étirer" votre profil (esquisse) le long d'une courbe-guide.
Il nous faut donc obligatoirement :

Nous allons donc créer deux esquisse :
un cercle sur le plan de droite, et un chemin sur le plan de face :

Image utilisateur

Une fois ces esquisses créées, effectuez le balayage à l'aide du bouton :

Image utilisateur

Vous vous retrouvez avec :

Image utilisateur

Ici, l'esquisse n°8 est le profil, et l'esquisse n°9 la trajectoire. :)

Il est pas beau mon tuyau ?! :p


Révolution Lissage

Lissage

Balayage Enlever de la matière

Lissage

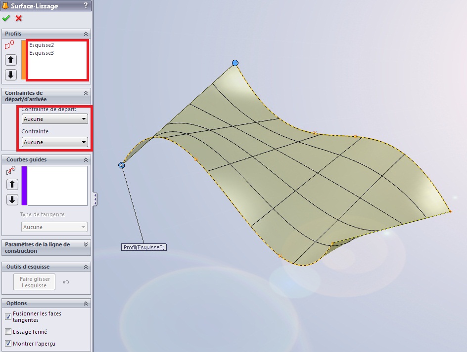
Le lissage créé un volume constituée de deux profils ou plus.
Passons directement à l'exemple, vous allez comprendre. ;)

Créez trois esquisses parallèles :

Image utilisateur

Sélectionnez ensuite vos trois esquisses, puis cliquez sur le bouton :

Image utilisateur

Un panneau apparait :

Image utilisateur

On vous donne les profils sélectionnés (nos 3 esquisses), ainsi qu'un aperçu du rendu final.
Les points bleus sont en quelque sorte le "fil conducteur" de votre lisage. Il détermine la forme que va prendre celui-ci.
Essayez de bouger ces points, la forme change.

Vous avez également la possibilité d'ajouter une "courbe guide". Elle doit obligatoirement passer par les trois profils. Elle permet de donner des formes plus complexes au lissage.


Balayage Enlever de la matière

Enlever de la matière

Lissage Extrusion

La partie sur l'ajout de matière terminée, passons à l'enlèvement de matière.
Et oui ! Dans cette partie on va creuser des trous ! :lol:

Les façons d'enlever la matière sont les mêmes que pour en ajouter ! ;)
Nous allons donc revoir les mêmes fonctions :

Extrusion

Enlever de la matière Révolution

Extrusion

Nous allons donc attaquer l'enlèvement de matière.

Bien évidemment, pour enlever de la matière, il faut en avoir un minimum. :p
Pour effectuer une extrusion, créez une esquisse avec le profil à enlever.
Cette esquisse, pour un enlèvement de matière simple, sera généralement dessinée sur la face à trouer :

Image utilisateur

Sélectionnez votre esquisse, puis cliquez sur le bouton :

Image utilisateur

Un panneau apparait :

Image utilisateur

Comme vous pouvez le remarquer, le panneau est semblable à celui d'une extrusion "normale". ;)
Vous avez donc les mêmes options de présenter, nous ne reviendrons pas dessus.
Vous pouvez voir l’aperçu en jaune de ce que ça va donner. Il est tourné vers l'intérieur de la pièce, c'est bien normal. :D

Validez ensuite :

Image utilisateur

Votre pièce est trouée ! :p


Enlever de la matière Révolution

Révolution

Extrusion Balayage et lissage

Révolution

Vous devez surement vous douter de comment on doit procéder. :)

Créez votre esquisse, en ayant toujours en tête qu'il vous faut un axe de rotation.
Cliquez sur ce bouton :

Image utilisateur

Un panneau apparait :

Image utilisateur

Il ne vous reste plus qu'à valider en appuyant sur :

Image utilisateur

Extrusion Balayage et lissage

Balayage et lissage

Révolution Autres outils volumiques

Balayage et lissage

J'ai décidé de regrouper ces deux fonctions dans une seule partie car elles sont moins utilisées que les deux précédentes.
Toujours la même façon de procéder :
On crée une ou plusieurs esquisse(s), et on clique sur le bouton correspondant à la fonction souhaitée.

Balayage

Cliquez sur le bouton :

Image utilisateur
Lissage

Cliquez sur le bouton :

Image utilisateur

Révolution Autres outils volumiques

Autres outils volumiques

Balayage et lissage Le congé

C'est bien beau de faire des jolies formes, et des jolies trous, mais il existe encore quelques outils !
Ils peuvent beaucoup nous simplifier la vie vous verrez ! :p

Le congé

Autres outils volumiques La coque

Le congé

Voici donc notre premier outil : le congé.
Pour les puristes, un congé enlève de la matière, en arrondissant une arrête. Mais SolidWorks permet aussi d'en ajouter, quand l’arrête se trouve dans un angle convexe, ce qui correspond plutôt à une soudure. ;)

Nous allons prendre comme base un pavé extrudé :

Image utilisateur

Appuyez ensuite sur le bouton :

Image utilisateur

Un panneau s'affiche alors :

Image utilisateur

Vous pouvez paramétrer le rayon du congé.
Vous pouvez ensuite sélectionner sur votre pièce les arrêtes et les faces à arrondir.

Image utilisateur

Vous n'avez plus qu'à valider en appuyant sur :

Image utilisateur

Voici d'autres exemples de congés :

Image utilisateur
Image utilisateur

Autres outils volumiques La coque

La coque

Le congé Le dôme

La coque

Cet outil peut s'avérer utile dans certains cas, comme ici la modélisation d'une boite.
Nous allons partir, comme précédemment, d'un pavé extrudé :

Image utilisateur

Sélectionnez la face ou le "trou" sera fait, puis cliquez sur le bouton :

Image utilisateur
Image utilisateur

Vous avez également la possibilité de créer une coque vers l'extérieur. L'outil coque vous ajoutera donc une sur-épaisseur de la taille que vous souhaitez.


Le congé Le dôme

Le dôme

La coque L'enroulement

Le dôme

Cette fonction est rarement utilisée. On préfère généralement effectuer une révolution.
Nous allons cette fois ci partir sur un cylindre :

Image utilisateur

Sélectionnez la face où vous souhaitez créer votre dôme, puis appuyez sur le bouton :

Image utilisateur

Un panneau apparait :

Image utilisateur

Vous pouvez paramétrer le rayon du dôme (ici 20 mm):

Image utilisateur

La coque L'enroulement

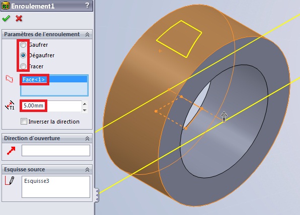
L'enroulement

Le dôme La répétition et la symétrie

L'enroulement

L'enroulement est une fonction qui permet de plaquer un motif (esquisse) sur une face généralement cylindrique.
Cet outil sert lors de la conception de pneus par exemple ;)
Vous devez donc créer un cylindre :

Image utilisateur

Puis créer un plan tangent ou passant par le centre du cercle :

Image utilisateur

Dessinez ensuite votre esquisse, en prenant comme repère le centre du cercle :

Image utilisateur

Sélectionnez votre esquisse, puis cliquez sur le bouton :

Image utilisateur

Un panneau apparait alors :

Image utilisateur

Trois options s'offrent a vous :

Le gaufrage ajoute de la matière, le dégaufrage en enlève, et le traçage projette le profil sur la surface.
Sélectionnez ensuite la face où effectuer l'enroulement, puis la hauteur/profondeur de l'enroulement.

Ensuite validez en appuyant sur :

Image utilisateur

Voici le résultat :

Image utilisateur

Le dôme La répétition et la symétrie

La répétition et la symétrie

L'enroulement Mise en place

La répétition et la symétrie

Deux autres outils bien utiles, la répétition et la symétrie.

La répétition

Elle peut être linéaire ou circulaire.

Répétition linéaire

La répétition permet de dupliquer des fonctions (extrusions, révolutions, ...) un certain nombre de fois pour ne pas avoir à toutes les modéliser. La répétition standard consiste à répéter une fonction de façon linéaire, c'est à dire en suivant un axe.
Pour effectuer une répétition linéaire, sélectionnez le ou les fonction(s) à répéter.

Image utilisateur

Cliquez ensuite sur le bouton :

Image utilisateur

Un panneau s'affiche :

Image utilisateur
  1. Direction de répétition (arrête, axes, plan, ...)

  2. Espacement entre les occurrences

  3. Nombre d'occurrences

  4. Direction 2 (facultatif)

  5. Espacement entre les occurrences

  6. Nombre d'occurrences

  7. Fonction(s) à répéter

Répétition circulaire

C'est la même chose, sauf que vous avez besoin d'un axe.
Sélectionnez la ou les fonction(s) à répéter :

Image utilisateur

Cliquez sur le bouton :

Image utilisateur

Un panneau apparait :

Image utilisateur

Comme vous pouvez le voir, la fonction choisie est répétée 5 fois.
Pour la rotation, je n'ai pas choisi un axe mais une face cylindrique. ;)

La symétrie

La symétrie est très utile pour des projets comme des voitures, ou l'on modélise un côté, puis on symétrise l'autre. :-°
Choisissez le ou les fonction(s) à répéter :

Image utilisateur

Puis appuyez sur le bouton :

Image utilisateur

Un panneau s'affiche alors :

Image utilisateur

Choisissez votre plan ou axe de symétrie.
Voici le résultat : :-°

Image utilisateur

Vous remarquerez cependant que la symétrie n'est pas complète. Ici, la symétrie ne portait que sur la partie surfacique. ;)

Nous en avons fini avec la partie volumique. Nous allons pouvoir attaquer les surfaces !
Vous pouvez, et je vous le conseille, vous entrainer à faire de petits projets, comme des objets qui vous entourent, pour bien maitriser les différentes fonctions. :)


L'enroulement Mise en place

Mise en place

La répétition et la symétrie Créer un nouvel assemblage

Dans cette partie, nous allons nous intéresser à l'assemblage, sa création puis l’importation de pièces à assembler.

Créer un nouvel assemblage

Mise en place Importer des pièces

Créer un nouvel assemblage

Vous avez appris à modéliser des pièces (pour l'instant en volumique) mais nous allons voir maintenant que nous pouvons les assembler entre elles.
Pour cela, modélisez vos pièces auparavant, dans des fichiers séparés bien entendu.
Un fichier de pièce à pour extension .SLDPRT et un assemblage .SLDASM.

Vous avez donc modéliser vos pièces, puis les avez enregistrées.

Pour créer un nouvel assemblage, appuyez sur le bouton :

Image utilisateur

Une nouvelle interface, un peu moins chargée s'affiche :

Image utilisateur

Comme vous pouvez le noter, différentes options s'offrent à vous.
Vous avez la possibilité de créer des éléments de géométrie de référence, de déplacer les composants.
Un nouveau dossier nommé "Contraintes" est apparu dans l'arbre de création.


Mise en place Importer des pièces

Importer des pièces

Créer un nouvel assemblage Contraindre des pièces

Importer des pièces

Votre fichier assemblage créé, vous devez ajouter des fichiers de pièces.
Cliquez sur le bouton :

Image utilisateur

Un panneau apparait :

Image utilisateur

Cliquez ensuite sur "Parcourir". Une fenêtre s'affiche :

Image utilisateur

Sélectionnez la pièce à ajouter, puis appuyez sur "Ouvrir".
Votre pièce s'est ajoutée :

Image utilisateur

Cette pièce est fixée. Vous ne pouvez pas la déplacer.
Vous pouvez savoir si une pièce est fixée grâce à l'arbre de création. Un "(f)" est écrit avant le nom :

Image utilisateur

Maintenant, ajoutez les autres pièces :

Image utilisateur

L'écrou lui, est libre. Vous le savez car déjà, vous pouvez le déplacer, et qu'il y a un "(-)" écrit avant le nom.


Créer un nouvel assemblage Contraindre des pièces

Contraindre des pièces

Importer des pièces Introduction

Vous savez comment ajouter des pièces à l'assemblage, mais il va maintenant falloir les contraindre.

Introduction

Contraindre des pièces Liste des contraintes

Introduction

Nous allons maintenant nous intéresser aux contraintes. Ce sont des liaisons entre deux pièces. Nous les avons déjà abordées au cours de la partie concernant l'esquisse. ;)
Cependant, pour les assemblages, leur nombre est plus important.

Pour contraindre deux pièces entre elles, cliquez sur l’icône :

Image utilisateur

Un panneau s'ouvre :

Image utilisateur

Sélectionnez alors les faces/arêtes/points/plans des deux pièces à contraindre.

Les pièces sélectionnées bougent, puis un petit bandeau apparait, contenant toutes les contraintes possible entre vos sélections :

Image utilisateur

Pour ma part, j'ai sélectionné la face cylindrique de la vis, et l'ai contraint avec la face cylindrique de l'écrou.
La relation est donc de type coaxiale : Les deux faces ont un axes commun. ;)

Pour valider cette relation, appuyez sur le bouton :

Image utilisateur

Vos deux pièces ont maintenant une certaine relation qui les contraint.
Cette relation est visible ici :

Image utilisateur

Mais il est souvent nécessaire d'avoir plusieurs contraintes pour que deux pièces soient fixe entre elles : Ici, mon écrou peut encore "coulisser" le long de la tige, ou encore tourner sur lui-même.
Recliquez donc sur :

Image utilisateur

Sélectionnez la face du dessus de l'écrou, et la base de la tête de la vis :

Image utilisateur

Par défaut, la contrainte est "coïncidente". Mais nous voulons seulement mettre l'écrou au niveau du début du filetage. Choisissez donc "distance" :

Image utilisateur

Entrez alors la valeur "60" :

Image utilisateur

Et c'est bon ! L'écrou ne peu plus se balader !

Image utilisateur

Mais il reste encore un degré de mouvement possible : l'écrou peu tourner sur lui-même.
Pour y remédier, cliquez sur :

Image utilisateur

Sélectionnez un côté de l'écrou, et le plan de face :

Image utilisateur

Puis sélectionnez la contrainte "parallèle" :

Image utilisateur

Maintenant, la vis et l'écrou sont totalement contraints !


Contraindre des pièces Liste des contraintes

Liste des contraintes

Introduction Les esquisses 3D et les courbes projetées

Liste des contraintes

Il existe bien entendu d'autres contraintes que les trois que nous venons de voir.
Elles se regroupent en trois catégories :

Image utilisateur

Les plus utilisées sont les contraintes standard.
Mais les deux autres catégories sont utiles pour les engrenages, les pivots, etc.
Commençons ! :D

Les contraintes standard
Image utilisateurCoïncidente

Vous devez surement vous en douter, les deux objets sélectionnés se "collent". :D

Image utilisateurParallèle

Les deux objets serons parallèles.

Image utilisateurPerpendiculaire

Les deux objets serons perpendiculaires.

Image utilisateurTangente

Cette contrainte s'utilise entre une face cylindrique et un plan, une face. Les deux sélections serons tangentes.

Image utilisateurCoaxiale

Cette contrainte permet de donner à deux faces cylindriques le même axe, comme on donne à deux cercles le même centre (concentrique).

Image utilisateurBlocage

Les deux objets sélectionnés serons bloqués entre eux. leurs mouvements serons liés.

Image utilisateurDistance

Cette contrainte permet de spécifier une distance entre deux sélections.

Image utilisateurAngle

Cette contrainte permet de spécifier un angle entre deux sélections.

Les contraintes avancées
Image utilisateurSymétrie

La symétrie permet à deux objets de se comporter de façon symétrique par rapport à un plan.

Image utilisateurGlissière

La glissière permet à un objet de se déplacer toujours à égale distance de deux autres sélections. Voici un exemple :

Image utilisateur

Ici, les faces violettes sont respectivement à la même distance des faces oranges.
Le petit carré en bois coulisse donc entres les deux pavés.

Nous avons fait le tour des contraintes avancées que vous aurez peut-être l'occasion d'utiliser.
Et je vous avouerez que je ne connais pas les autres. :-°

Les contraintes mécaniques

On trouve les contraintes : Came, Pivot, Pignon-crémaillère, Hélicoïdale, Liaison cadran.
Les contraintes mécaniques sont vraiment très spécifique à votre projet. Si vous modélisez un pivot, un engrenage, vous les utiliserez.
Nous n'allons donc pas nous y intéresser. :)


Introduction Les esquisses 3D et les courbes projetées

Les esquisses 3D et les courbes projetées

Liste des contraintes Les esquisses 3D

Nous allons donc débuter la partie sur les surfaces.
Pour commencer, nous allons nous intéresser aux esquisses 3D, qui peuvent se révéler utiles, ainsi qu'aux courbes projetées.

Les esquisses 3D

Les esquisses 3D et les courbes projetées Les courbes projetées

Les esquisses 3D

Une esquisse 3D peut être utilisée dans la modélisation volumique, mais c'est surtout dans la modélisation surfacique, pour délimiter des surfaces, que nous allons nous en servir.
Dans cette partie, ou nous traiterons des esquisses 3D et des courbes projetées, nous ne créerons pas de surfaces. :)

Commençons !

Pour créer une esquisse 3D, il suffit d'appuyer ici :

Image utilisateur

Apparaît alors le bandeau standard d'édition d'esquisse.
Vous pouvez donc dessiner en 3D. :D

Image utilisateur

Le signe entouré en rouge indique que le trait est aligné sur un des axes x, y ou z, ici z.

De nouvelles contraintes ont également fait leur apparition, permettant d'aligner des segments sur les axes de référence :

Image utilisateur

Vous avez également la possibilité de déplacer les entités le long des axes de référence, à laide du bouton "Déplacer les entités" que vous connaissez, ou à laide du tièdre, que vous obtenez en cliquant droit sur les objets à déplacer et en sélectionnant :

Image utilisateur

Vous connaissez également les outils de l'esquisse 2D. ;)


Les esquisses 3D et les courbes projetées Les courbes projetées

Les courbes projetées

Les esquisses 3D Générer une surface

Les courbes projetées

Les courbes projetées sont très utiles pour le surfacique. Elles permettent de créer une esquisse 3D à partir de deux esquisses 2D, ainsi que de projeter une esquisse 2D sur une face ou une surface.
Pour créer une courbe projetée, il faut au préalable avoir deux esquisses ou une esquisse et une face.

Courbe "esquisse sur esquisse"

Créez votre première esquisse :

Image utilisateur

Puis la deuxième (sur un plan différent bien sûr) :

Image utilisateur

Cliquez ensuite sur le bouton :

Image utilisateur

Un panneau apparaît. Sélectionnez "Esquisse sur esquisse" et les esquisses que vous venez de créer :

Image utilisateur

Le contour jaune vous donne un aperçu de votre courbe. Valisez en appuyant sur

Image utilisateur

Voila, votre courbe est crée ! :D

Image utilisateur
Courbe "Esquisse sur faces"

Commencez par créer une surface par exemple :

Image utilisateur

Puis, sur un autre plan, votre esquisse :

Image utilisateur

Cliquez sur le bouton "Courbe projetée", sélectionnez "Esquisse sur faces", et choisissez vos esquisses :

Image utilisateur

Et voici votre courbe terminée :

Image utilisateur

Les esquisses 3D Générer une surface

Générer une surface

Les courbes projetées Surface plane

Dans cette partie, nous allons aborder différents outils qui sont à disposition pour générer une surface. :)

Surface plane

Générer une surface Extrusion et révolution

Surface plane

Nous allons enfin modéliser notre première surface ! :D
Pour ce faire, vous aurez besoin d'un profil.
Pour commencer, nous allons créer une simple surface plane. Nous devez donc créer une esquisse 2D pour le contour de cette surface.
Allons y !

Image utilisateur

Repérez le bandeau de création de surfaces :

Image utilisateur

Cliquez sur le bouton :

Image utilisateur

Sélectionnez votre contour :

Image utilisateur

Et voici votre surface !

Image utilisateur

Vue isométrique


Générer une surface Extrusion et révolution

Extrusion et révolution

Surface plane Lissage et surfaces frontières

Extrusion et révolution

L'extrusion et la révolution de surface se fait de la même manière que pour un corps volumique, sauf que vous obtiendrez... une surface ! :p

L'extrusion

Créez tout d'abord votre profil, ouvert ou fermé, avec une esquisse 2D ou 3D :

Image utilisateur

Cliquez sur le bouton :

Image utilisateur

Sélectionnez votre esquisse. Un panneau apparaît :

Image utilisateur

Vous connaissez ce panneau par cœur bien évidement. ;)
Spécifiez la dimension de l'extrusion et validez.

La révolution

Vous devez déjà savoir comment ça va se passer. ;)
Créez un profil, ouvert ou fermé, trouvez un axe, et appuyez sur :

Image utilisateur
Image utilisateur

Surface plane Lissage et surfaces frontières

Lissage et surfaces frontières

Extrusion et révolution Décaler une surface

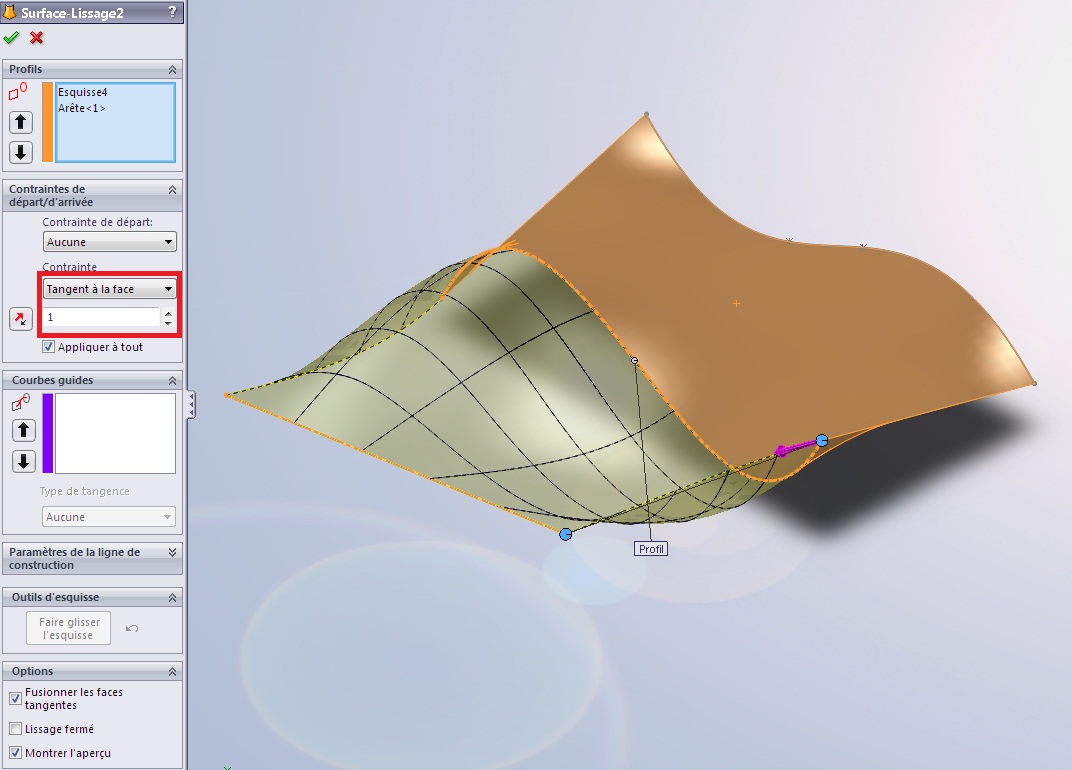
Lissage et surfaces frontières

Pour générer une surface, vous avez la possibilité d'effectuer un lissage, ou de créer une surface frontière.
Les deux fonctions sont à peu près identiques, elles permettent de créer un surface entre deux profil, et éventuellement des "rails".

Lissage

Commencez donc par créer deux esquisses qui vous servirons de profil :

Image utilisateur

Puis, pour effectuer un lissage, appuyez sur :

Image utilisateur

Un panneau s'ouvre :

Image utilisateur

Sélectionnez vos deux profils.
Si votre surface doit être tangente à la surface qui la borde, sélectionnez "Tangente à la face" dans l'encadré des contraintes :

Image utilisateur
Surface frontière

Cette technique, semblable donc au lissage, permet cependant de générer des surface de façon plus complète.
Il s'agit du bouton :

Image utilisateur
Image utilisateur

Ici, nous ne parlerons pas de "profils" mais de "directions".
Comme vous pouvez le constater, un plus grand nombre d'option vous sont proposées. L'encadré "Affichage" Vous permet de modifier le maillage de la surface, d'afficher des zébrures pour contrôler la qualité de la surface, etc.

Les rails

Les rails sont appelés "courbe guides" ou "direction 2". Il servent en effet de guide pour générer des surfaces plus complexes :

Image utilisateur

Extrusion et révolution Décaler une surface

Décaler une surface

Lissage et surfaces frontières Outils pour modifier la surface

Décaler une surface

Vous pouvez générer une surface à partir d'une autre en la "décalant" d'une certaine distance.
Pour cela, sélectionnez une surface existante, puis cliquez sur :

Image utilisateur

Renseignez alors le sens et la distance de décalage :

Image utilisateur

Lissage et surfaces frontières Outils pour modifier la surface

Outils pour modifier la surface

Décaler une surface Restreindre une surface

Nous allons maintenant nous intéresser aux outils pour modifier vos surface.
Vous pouvez ainsi restreindre une surfaces, coudre puis congédier des surfaces.

Restreindre une surface

Outils pour modifier la surface Coudre et congédier des surfaces

Restreindre une surface

Après avoir modélisé vos surfaces, vous avez la possibilité de les restreindre, c'est à dire de les "couper".

Il y a deux méthode pour restreindre une surface.

Restriction par une surface

Pour restreindre une surface par cette méthode, vous devez auparavant avoir créé une surface qui croise la surface à couper :
Cliquez sur le bouton prévu à cet effet :

Image utilisateur
Image utilisateur

Comme outil d'ajustement sélectionnez donc la surface "coupante", puis choisissez la partie de la surface à couper que vous gardez/enlevez.

Restriction par une esquisse

Pour restreindre une surface par une esquisse, vous devez auparavant avoir, bien sûr, créé une esquisse !

Image utilisateur

Outils pour modifier la surface Coudre et congédier des surfaces

Coudre et congédier des surfaces

Restreindre une surface Introduction

Coudre et congédier des surfaces

Après avoir créé vos surfaces, vous avez la possibilité de les coudre. Cela permet à vos surfaces de ne former qu'un corps surfacique, et d'enlever les discontinuités entre vos surfaces.

Coudre des surfaces

Prenons ces deux surfaces :

Image utilisateur

Elles ne sont pas cousues car vous voyez que leur intersection est une courbe bleue.
Pour coudre ces surfaces, cliquez sur ce bouton :

Image utilisateur

Sélectionnez vos surfaces :

Image utilisateur

Puis validez en appuyant sur :

Image utilisateur

Vos surfaces sont cousues ! :D

Congédier des surfaces

Après avoir cousu vos surfaces, vous avez la possibilité de leur appliquer un congé. Ce congé permet d'arrondir les angles entre les surfaces. :)
Cliquez sur le bouton :

Image utilisateur

Sélectionnez vos arrêtes :

Image utilisateur

Et voici vos surfaces avec leur congé :

Image utilisateur

Restreindre une surface Introduction

Introduction

Coudre et congédier des surfaces La tôlerie, qu'est-ce que c'est ?

Nous allons donc aborder la tôlerie sur SolidWorks.
Cette introduction nous permettra de savoir ce qu'est une pièce de tôlerie, ainsi que comment en créer une.

La tôlerie, qu'est-ce que c'est ?

Introduction Créer une pièce de tôlerie

La tôlerie, qu'est-ce que c'est ?

La tôlerie consiste à créer... une tôle ! :D
La tôle sera une plaque, d'une épaisseur constante, et généralement fine, que l'on pourra ensuite plier, découper, emboutir, ...

Voici la barre d'outil pour la tôlerie :

Image utilisateur

Si vous ne l'avez pas, reportez vous à l'introduction de ce tutoriel, pour la personnalisation de votre interface.


Introduction Créer une pièce de tôlerie

Créer une pièce de tôlerie

La tôlerie, qu'est-ce que c'est ? Outils pour la tôlerie

Créer une pièce de tôlerie

Pour créer une pièce de tôlerie, vous devez cliquer sur l'icône :

Image utilisateur

Le logiciel vous demande alors de créer une esquisse. Cette esquisse constituera en quelque sorte la base de votre pièce.
Sélectionnez donc votre plan, créez le profil que vous souhaitez, puis validez. Un panneau apparait ensuite :

Image utilisateur

Vous pouvez choisir l'épaisseur de la tôle, ainsi que d'autres paramètres techniques.
Validez en appuyant sur :

Image utilisateur

Votre pièce est créer !
Vous pouvez le voir dans l'arbre de conception :

Image utilisateur

La tôlerie, qu'est-ce que c'est ? Outils pour la tôlerie

Outils pour la tôlerie

Créer une pièce de tôlerie Plis de tôles

Plis de tôles

Outils pour la tôlerie Trous et emboutissages

Plis de tôles

Vous avez créé la base de votre tôle. Vous pouvez maintenant la plier !
Pour cela, différentes fonctions s'offrent à vous. Nous allons détailler les principale. ;)

Tôle pliée sur arête

Il s'agit du bouton :

Image utilisateur

Cliquez dessus, un panneau apparait :

Image utilisateur

On peut paramétrer

  1. L'arête où effectuer le pli

  2. L'angle de pli

  3. La longueur d'extrusion de la tôle pliée

  4. Le type de pli

Configurez votre pli :

Image utilisateur

Un autre "morceau" de tôle se créé, plié avec la base.

Image utilisateur
Pli écrasé

Il s'agit d'un autre type de pli. Voici le bouton :

Image utilisateur
Image utilisateur

Renseignez l'arête à plier, puis les différentes options en fonction de vos besoins.


Outils pour la tôlerie Trous et emboutissages

Trous et emboutissages

Plis de tôles Etat déplié

Trous et emboutissages

Cette partie va aborder quelques outils pour modifier la tôle, en la trouant et l'emboutissant.

Trouer la pièce

Si vous le souhaitez, vous pouvez trouer votre pièce. Pour cela, il suffit de créer, comme en volumique, une esquisse qui servira de profil pour enlever de la matière.
Le bouton pour enlever de la matière est toujours le même :

Image utilisateur

Éditez ensuite l'esquisse, puis effectuez l'enlèvement de matière:

Image utilisateur
Image utilisateur

Votre pièce est trouée ! :D

Emboutir la pièce

L'emboutissage consiste à donner une certaine forme à la tôle.
Pensez à une plaque de tôle plane, que l'on va presser pour obtenir une forme différente.
L'emboutissage est un peu compliqué à réaliser sur SolidWorks.
Tout d’abord, créez la pièce de tôlerie à emboutir. Dans cet exemple, nous prendrons une simple plaque :

Image utilisateur

Créez ensuite une nouvelle pièce, qui va constituer notre forme d'emboutissage.
Commencez cette pièce par un simple pavé :

Image utilisateur

Puis, au-dessus de ce pavé, modélisez la forme de votre emboutissage. Pour l'exemple, nous prendrons une simple "calotte sphérique", ou dôme. ;)

Image utilisateur

Puis effectuez un congé entre la forme et le pavé :

Image utilisateur

Il ne vous reste plus qu'à enlever le pavé en effectuant un enlèvement de matière :

Image utilisateur

Ensuite, il faut définir cette pièce comme étant une forme d'emboutissage.
Pour cela, cliquez sur le bouton :

Image utilisateur

Un panneau apparait. Sélectionnez alors la face d'appui, celle sur laquelle on va appuyer pour réaliser l'emboutissage. Vous pouvez aussi sélectionner les faces à enlever, mais ce n'est pas forcement nécessaire.

Image utilisateur

La face d'appui apparait en bleu, les autres en jaune. Les faces à enlever sont en rouge.

Enregistrez cette pièce dans vos documents par exemple, avec l'extension .sldftp :

Image utilisateur

Déplacez ensuite ce fichier dans le dossier d'installation de SolidWorks, par défaut : C:\Program Files\SolidWorks\samples

Retour à votre pièce de tôlerie.
Pour aller chercher votre forme, il vous faut aller dans l'explorateur de fichier qui se trouve à droite de votre écran :

Image utilisateur

Votre pièce est là ! :D
Faite glisser le fichier sur votre plaque de tôle, l'emboutissage se fait automatiquement :

Image utilisateur

Vous pouvez alors placer précisément l'embouti grâce à son esquisse :

Image utilisateur

Plis de tôles Etat déplié

Etat déplié

Trous et emboutissages L'animation

Etat déplié

SolidWorks vous permet d'afficher la pièce de tôlerie dans son état déplié.
Pour cela, il vous suffit d'appuyer sur :

Image utilisateur
Image utilisateur

Si vous voulez revenir à l'état plié, ré-appuyez sur le bouton. ;)

Cette option est très pratique pour exporter le profil de la tôle vers un forma DWG ou DXF, ce qui permettra d'exporter le profil vers AutoCAD par exemple.
Pour cela, faites un clic-droit sur "État déplié" dans l'arbre de conception, et cliquez sur :

Image utilisateur

Choisissez vos paramètres, et voici votre DXF ! :D

Image utilisateur

Trous et emboutissages L'animation

L'animation

Etat déplié Introduction

Introduction

L'animation Création des pièces

Introduction

Concernant cette partie sur l'animation, nous allons, pour plus de clarté, faire un tutoriel pas à pas, un peu comme un TP. Cela permet d'avoir un exemple pour mieux comprendre. ;)
Voici comment nous allons procéder :

Notre projet sera donc d'animer un système (ni trop simple ni trop complexe). Ce projet sera une "grue miniature".
Il nous faut donc :


L'animation Création des pièces

Création des pièces

Introduction Assemblage

Création des pièces

Commençons donc par la création des pièces.

La base

La base sera faite en tôlerie, histoire de nous rappeler cette partie. ;)
Voici les plans :

Image utilisateur

Et le résultat :

Image utilisateur

Je vous laisse faire ! :p

Le socle tournant

Les plans :

Image utilisateur

Le résultat :

Image utilisateur
Le mat

Les plans :

Image utilisateur

Le résultat :

Image utilisateur
La flèche

Les plans :

Image utilisateur

Le résultat :

Image utilisateur
La pièce coulissante

Les plans :

Image utilisateur

Le résultat :

Image utilisateur

Introduction Assemblage

Assemblage

Création des pièces Animation

Assemblage

Nous avons nos pièces, il va maintenant falloir les assembler.
Votre assemblage doit ressembler à celui-ci :

Image utilisateur

Création des pièces Animation

Animation

Assemblage Enregistrer la vidéo

Animation

L'animation consistera sur SolidWorks à faire une "étude de mouvement".
Cliquez ici pour créer un nouvelle étude de mouvement :

Image utilisateur

Ou alors, cliquez sur l'onglet en bas :

Image utilisateur

L'étude de mouvement s'ouvre :

Image utilisateur

Vous pouvez voir à gauche le nom des pièces de votre assemblage ainsi que leurs contraintes.

Animer le socle

Nous allons commencer par faire tourner le socle de 90°.
Cette rotation devra s'effectuer en 4 secondes.
Pour faire tourner le composant, il va falloir lui attribuer un "moteur circulaire" :

Image utilisateur

Le panneau s'ouvre :

Image utilisateur

Choisissez un moteur circulaire, la face du composant à faire tourner, et dans "Mouvement", sélectionnez "Distance". Renseignez alors l'angle, et le temps.
Validez en appuyant sur :

Image utilisateur

Appuyez ensuite sur :

Image utilisateur

L'animation se calcule. ;)

Animer la pièce coulissante

Nous allons animer la pièce coulissante juste après que le socle aie pivoté. C'est à dire que l'animation commencera à 4 sec. et se terminera disons à 8 sec.
Allons y !
Tout d'abord, il faut créer un contrainte de distance entre la pièce coulissante et le bout de la flèche :

Image utilisateur

Sélectionnez la contrainte sur la gauche de votre étude de mouvement :

Image utilisateur

Copiez ensuite la clé de cette contrainte à 4 sec. et 8 sec.

Image utilisateur

Pour l'instant, la clé a la même valeur, c'est à dire 300 (la distance que l'on a choisi).
Pour la troisième "clé", à 8 sec. , double cliquez et mettez la valeur "100".
Recalculez l'image, ça marche ! :D

La courte animation que nous avons fait n'utilise qu'une petite partie des outils mis à votre disposition pour l'animation.


Assemblage Enregistrer la vidéo

Enregistrer la vidéo

Animation Le rendu avec Photoview 360

Enregistrer la vidéo

Après avoir terminé votre animation, vous avez la possibilité de l'enregistrer en .avi par exemple.
Pour cela, cliquez sur :

Image utilisateur

Une fenêtre s'ouvre :

Image utilisateur

Choisissez :

Enregistrez ! :D


Animation Le rendu avec Photoview 360

Le rendu avec Photoview 360

Enregistrer la vidéo Présentation de l'interface

Votre projet est terminé ? Faites-en un rendu avec Photoview 360 ! :D
Cette partie va vous permettre de prendre connaissance du logiciel, pour faire des rendus de qualité !

Présentation de l'interface

Le rendu avec Photoview 360 Fonctionnalités

Présentation de l'interface

Le logiciel Photoview 360 est en principe vendu avec SolidWorks.
Il s'agit de l'icône :

Image utilisateur

Une fois ouvert, le logiciel ressemble à ça :

Image utilisateur

On peut y voir :

  1. L'aperçu

  2. Le menu, composé de différents icônes

  3. Le mode de sélection

  4. Le mode de navigation

Il vous faut maintenant ouvrir votre projet SolidWorks grâce au bouton :

Image utilisateur

Pour l'exemple, je vais choisir l'assemblage de la vis et de l'écrou :

Image utilisateur

Le rendu avec Photoview 360 Fonctionnalités

Fonctionnalités

Présentation de l'interface Paramètres

Fonctionnalités

Pour l'instant, votre projet n'est pas très inspirant. ^^
Nous allons donc commencer par lui appliquer des apparences.

Apparences

Il s'agit du bouton :

Image utilisateur

Cliquez dessus, une fenêtre apparait, vous offrant un choix de beaucoup de textures :

Image utilisateur

Comme vous pouvez le voir, la fenêtre est composée d'un choix de catégorie à gauche, du contenu de ces catégories, c'est à dire apparences' à droite, et de deux onglets.
Vous pouvez naviguer dans les catégories pour vous donner une idée des apparences proposées. ;)
Allons dans la catégorie qui correspondrai à notre vis : "metal", puis "aluminum".

Image utilisateur

Sélectionnez ensuite "brushed aluminum" par exemple, puis faites un "glissé-déposé" sur votre modèle.
Comme vous pouvez le voir, la texture est appliquée sur la vis. Renouvelez l'opération sur l'écrou pour lui assigner également la texture.

Mode de sélection

Pour appliquer une apparence, vous avez le choix entre plusieurs modes de sélections :

Image utilisateur

Par défaut, les textures sont appliquées par "Apparences". Mais vous pouvez aussi appliquer votre texture sur une seule face de votre modèle.

Environnements

Il s'agit du bouton :

Image utilisateur

Une fenêtre s'ouvre, présentant un choix d'environnements pour votre scène :

Image utilisateur

Pour appliquer un environnement, faites un glisser-déposer sur votre aperçu.


Présentation de l'interface Paramètres

Paramètres

Fonctionnalités Rendu

Paramètres

Il s'agit du bouton :

Image utilisateur

Une fenêtre s'ouvre avec 3 onglets :

Image utilisateur
Paramètre de l'environnement

Grâce à cet onglet, vous pouvez entre autres :

Paramètres de sortie
Image utilisateur

Vous pouvez :

Paramètre de la caméra
Image utilisateur

Vous pouvez :

Un outil bien utile : le Menu contextuel

Il apparait quand vous faites un "clic-droit" sur votre aperçu :

Image utilisateur

Grâce à ce menu contextuel, vous pouvez vous simplifier grandement la vie ! :D
Il vous permet :


Fonctionnalités Rendu

Rendu

Paramètres TP : Un boulon

Rendu

Vous avez appliqué vos apparences ? Appliqué votre environnement ? Effectué vos réglages ?
Vous pouvez maintenant faire un rendu de votre scène ! ;)

Cliquez sur le bouton :

Image utilisateur

La fenêtre de rendu s'ouvre :

Image utilisateur

L'image se calcule petit à petit...
Vous pouvez encore arrêter le rendu grâce au bouton prévu à cet effet.

Et c'est fini ! :D

Image utilisateur

Vous pouvez alors enregistrer votre image.


Paramètres TP : Un boulon

TP : Un boulon

Rendu La vis

Ce TP à pour objectif la modélisation d'un boulon. Il sera donc composé d'une vis et d'un écrou.
Bonne chance !

La vis

TP : Un boulon L'écrou

La vis

Les consignes

La première partie de ce TP consiste à modéliser la vis ; la deuxième partie l'écrou.
N'hésitez pas, si vous hésitez justement, à reprendre les cours précédents.

Le projet que vous allez réaliser ressemblera à ceci :
Image utilisateurCliquez pour grandir

Cahier des charges

La pièce que vous créerez devra respecter ces plans :

Image utilisateur

Créez donc une nouvelle pièce, enregistrez votre fichier sous "Vis" et commencez ! :D

Correction

Alors! Fini ? Corrigeons !

Pour commencer : Créez une esquisse sur le plan de dessus, et extrudez la de 20 mm :

Image utilisateur

Faites de même pour la tige :

Image utilisateur

Créez un plan à 60 mm du plan de dessus, pour commencer le filetage :

Image utilisateur

Le filetage a une forme d'hélice. Il faudra donc créer cette hélice, puis la forme à enlever autour de cette hélice.
Créez un cercle du diamètre de la vis sur le plan :

Image utilisateur

Puis l'hélice :

Image utilisateur

Sur le plan de face ou de droite, dessinez la forme à enlever grâce à une nouvelle esquisse.

Image utilisateur

Avec la spirale et cette esquisse, effectuez un enlèvement de matière avec balayage pour modéliser le filetage :

Image utilisateur

Enlevez de la matière pour pouvoir entrer le tournevis ! :p

Image utilisateur

Dépouillez les côté (facultatif) :

Image utilisateur

Effectuez un congé de 8 mm :

Image utilisateur

Et voilà ! Votre vis est terminée ! :soleil:


TP : Un boulon L'écrou

L'écrou

La vis TP : Un pneu

L'écrou

Passons maintenant à l'écrou.
Je vous donne les plans :

Image utilisateur

L'écrou doit être fileté comme la vis.

Aller ! Au boulot !

Correction

Vous avez bien sur tout réussi, mais nous allons quand même corriger ensemble. ^^

Créez une esquisse sur le plan de dessus. L'esquisse doit contenir un hexagone et un cercle de 30 de diamètre.

Image utilisateur

Effectuez l'extrusion de 25 mm.

Il va falloir ensuite dessiner les "bords". Ça doit être la partie ou vous vous êtes le plus énervé pour trouver la solution ! :p
Pour effectuer cet enlèvement de matière, il va falloir créer une esquisse comme ceci :

Image utilisateur

Cette esquisse, grâce à un enlèvement de matière avec révolution, va faire apparaitre les 'bords". ;)

Image utilisateur

Congédiez les arrêtes :

Image utilisateur

Chanfreinez la partie intérieure :

Image utilisateur

Puis créez le filetage (même technique que pour la vis) :

Image utilisateur

Et c'est fini !


La vis TP : Un pneu

TP : Un pneu

L'écrou Les consignes

Les consignes

TP : Un pneu Le cylindre

Les consignes

Présentation

Ce petit TP aura comme objectif la conception d'un pneu. Ce n'est pas un vrai pneu professionnel que vous allez modéliser mais plutôt une version schématique. Le but étant surtout d'utiliser de manière plus concrète l'enroulement.
Les esquisses comporteront des cotes assez simples.

Voici à quoi ressemblera votre magnifique pneu :D :
Image utilisateurCliquez pour agrandir

Cahier des charges :

Je vous souhaite bon courage, et je vous laisse à votre clavier et à votre souris ! ^^


TP : Un pneu Le cylindre

Le cylindre

Les consignes Les empreintes

Le cylindre

Déjà fini ? C'était si facile que ça ? ^^
Passons à la correction !

La première chose à faire est la modélisation du cylindre, qui servira de base à notre pneu.
Pour cela il suffit, sur le plan de face ou de dessus, de créer une esquisse comme ceci :

Image utilisateur

Effectuez la révolution.

Et votre cylindre de base est terminé !

Image utilisateur

Les consignes Les empreintes

Les empreintes

Le cylindre L'évidement

Les empreintes

Nous allons maintenant nous pencher sur la partie la plus "compliquée" de la modélisation. Il s'agit des empreintes du pneu, ses sculptures. Pour pouvoir s'inspirer du motif que je vous ai donné, il est plus simple de pouvoir directement dessiner dessus. Pour ce faire, créez une esquisse sur le plan de dessus. Dans les outils d'esquisse, cliquez sur "Image d'esquisse" (

Image utilisateur

)

Je ne vois pas ce bouton ? Où est-il ? :euh:

Si vous êtes dans ce cas, il va falloir customiser votre interface ! Cliquez sur le bouton "Option" puis "Personnaliser" (cf Présentation et préparation de SolidWorks - Paramétrer SolidWorks)
Dans l'onglet "Commande" Sélectionnez la catégorie "Esquisse". À droite, dans la zone "Bouton", est apparu :

Image utilisateur

Glisez-déposez ce bouton directement sur votre interface, et voilà !

Vous avez donc créé une esquisse sur le plan de dessus, et cliqué sur le bouton "Image d'esquisse". Allez donc chercher le fichier image du motif à suivre et ouvrez-le.
L'image est trop grande. Il va falloir la retoucher un peu :

Image utilisateur

La transparence est facultative

Le décor est planté, nous allons pouvoir commencer à "usiner" notre pneu. ;)

Le motif n°1

J'ai décidé de séparer les motifs en deux parties car certains sont symétriques, d'autres non.
Nous allons commencer avec le motif symétrique. Il s'agit de celui-là :

Image utilisateur

Sur le même plan que l'image, créez une esquisse avec ce motif (approximativement) :

Image utilisateur
Le motif n°2

Le second motif sera celui-ci (en bleu) :

Image utilisateur

De la même façon, créez une esquisse sur le plan de votre image de référence, en reproduisant approximativement le motif :

Image utilisateur
L'enroulement

Vos deux motifs tracés, vous devez maintenant les enrouler autour de votre pneu. Cliquez donc sur le bouton enroulement :
Sélectionnez "Dégaufrer" sélectionnez la face extérieure du cylindre, renseignez la profondeur (6mm), ainsi que vos "esquisses sources", c'est-à-dire vos motifs.
Validez en appuyant sur :

Image utilisateur
Les rainures

Le plus simple à réaliser, il s'agit simplement d'un enlèvement de matière avec révolution.
Sur le plan de face, voici l'esquisse :

Image utilisateur

Le cylindre L'évidement

L'évidement

Les empreintes Exercice : Un moteur

L'évidement

Les empreintes ayant été réalisées, vous pouvez passer à l'évidement du pneu.

Commençons d'abord par arrondir les angles.
Créez une esquisse sur le plan de dessus, puis effectuez un enlèvement de matière par révolution :

Image utilisateur

Passons maintenant à l'évidement du pneu.
Voici l'esquisse, pour l’enlèvement de matière par révolution :

Image utilisateur

Votre pneu est terminé :D

Image utilisateur

Les empreintes Exercice : Un moteur

Exercice : Un moteur

L'évidement Introduction

Introduction

Exercice : Un moteur Le piston

Introduction

Cet exercice aura pour but la modélisation des principales pièces d'un moteur. Il s'agit d'une modélisation très simplifiée, avec des cotes simples. Il s'agit surtout ici d'arriver à animer le piston, pour avoir ensuite les différents mouvements des pièces entres elles. ;)

Le moteur sera composé des pièces suivantes :

Voici le résultat de cet exercice :
Image utilisateur
(Cliquez pour agrandir)

Tout d'abord, un petit rappel sur le fonctionnement du moteur. ;)
Le moteur que nous allons modéliser est un "micro-moteur 2 temps". C'est donc un petit moteur à explosion, avec un seul piston.

Il s'agit ici d'une sorte de mini-tutoriel pas à pas, où nous réaliserons ensemble notre chef d’œuvre ! :p


Exercice : Un moteur Le piston

Le piston

Introduction La bielle

Le piston

Le piston n'est pas très compliqué à réaliser.
Il s'agit d'une révolution, à laquelle nous allons retirer l'axe pour la bielle.
Voici l'esquisse de la révolution, que vous pouvez réaliser sur un plan de face ou de droite :

Image utilisateur

Effectuez ensuite votre révolution (sur 360°) :

Image utilisateur

Vue en coupe
Créez ensuite une esquisse comme ceci :

Image utilisateur

Effectuez l'enlèvement de matière :

Image utilisateur

Vue en coupe

Il ne vous reste plus qu'à enregistrer cette pièce sous "piston.SLDPRT".


Introduction La bielle

La bielle

Le piston Le vilebrequin

La bielle

La bielle sera un peu plus compliquée que le piston.
Nous allons modéliser une moitié de bielle, puis la symétriser.
Voici le résultat final :

Image utilisateur

Commencez par créer une esquisse sur le plan de face, alignée sur l'origine :

Image utilisateur

Effectuez une révolution :

Image utilisateur

Créez ensuite une autre esquisse, pour une autre révolution, toujours sur le plan de face. Son axe de rotation (entouré en rouge) doit être à 45 mm de l'origine :

Image utilisateur

Effectuez une révolution :

Image utilisateur

Il va falloir maintenant modéliser la partie qui va lier ces deux révolutions. Pour cela, nous allons nous servir d'une surface !

Créez une esquisse sur le plan de face comme ceci :

Image utilisateur

A partir de cette esquisse, créez une surface par extrusion :

Image utilisateur

Cette surface va en quelque sorte servir de "butée" à l'extrusion que nous allons faire. Créez donc une esquisse, cette fois-ci sur le plan de droite :

Image utilisateur

Les cotes sont approximatives, le rayon en bas doit être inférieur au rayon du cercle existant.
Pour l'extrusion de cette esquisse, choisissez l'option "Jusqu'à la surface" et sélectionnez votre surface :

Image utilisateur

Validez, puis effacez votre surface comme ceci :
Dans l'arbre de création FeatureManager, développez le dossier "Corps" :

Image utilisateur

Votre surface est ainsi effacée du modèle. :)
Créez un plan à 10 mm du plan de droite :

Image utilisateur

Ensuite, sur ce plan, créez une esquisse en décalant les cotés comme ceci grâce au bouton :

Image utilisateur
Image utilisateur

Effectuez un enlèvement de matière extrudée de cette esquisse sur 9mm, puis la symétrie du tout :

Image utilisateur

Le piston Le vilebrequin

Le vilebrequin

La bielle L'axe et le joint

Le vilebrequin

Attaquons nous maintenant au vilebrequin. Le nôtre ressemblera à ceci :

Image utilisateur

Commençons par créer un esquisse comme ceci sur plan de droite :

Vilebrequin

Effectuez une révolution de cette esquisse autour de l'axe.
Créez ensuite une autre esquisse, toujours sur le plan de droite :

Image utilisateur

Effectuez un enlèvement de matière extrudée de cette esquisse.
Ensuite, créez une esquisse sur la face coloriée en bleu :

Image utilisateur
Image utilisateur

Effectuez un enlèvement de matière extrudée de cette esquisse.
Toujours sur la même face, créez une esquisse comme ceci :

Image utilisateur

Extrudez-la alors de 9mm.
Chanfreinez de 0,5mm comme ceci :

Image utilisateur

Le vilebrequin est terminé ! ;)


La bielle L'axe et le joint

L'axe et le joint

Le vilebrequin Le carter 1/3

L'axe et le joint

Sans doute les pièces les plus simples à modéliser de notre moteur. ;)

L'axe

Créez une esquisse sur le plan de face :

Image utilisateur

Extrudez-la de 27mm et chanfreinez de 0,5mm comme ceci :

Image utilisateur
Le joint

Créez une esquisse sur le plan de face :

Image utilisateur

Extrudez le tout de 8mm.

Image utilisateur

Le vilebrequin Le carter 1/3

Le carter 1/3

L'axe et le joint Le carter 2/3

Le carter 1/3

Nous allons avoir besoin de modéliser un carter en trois pièces. Nous allons commencer par la pièce la plus simple :

Image utilisateur

Il s'agit, comme vous l'avez surement deviné, d'une simple révolution. Voici les cotes:

Image utilisateur

N'oubliez pas l'axe !


L'axe et le joint Le carter 2/3

Le carter 2/3

Le carter 1/3 Le carter 3/3

Le carter 2/3

La pièce que nous allons modéliser est un petit peu plus complexe :

Image utilisateur

Commençons !
Créez une esquisse sur le plan de droite :

Image utilisateur

Effectuez une révolution de cette esquisse, puis, toujours sur le plan de droite, créez une esquisse comme ceci :

Image utilisateur

Effectuez la révolution de cette esquisse autour de l'axe.
Toujours sur le même plan, créez une esquisse comme ceci :

Image utilisateur

Effectuez l'enlèvement de matière avec révolution.
Comme vous pouvez le voir, il y a un petit problème vu du plan de face :

Image utilisateur

Pas de panique !
Cliquez sur la face du dessous pour y créer une esquisse :

Image utilisateur

Sélectionnez les deux arrêtes circulaires et cliquez sur l'outil "Convertir les entités". Validez en appuyant sur

Image utilisateur

Cliquez ensuite sur l'esquisse, puis sur "Extrusion". Sélectionnez alors "Jusqu'au corps".
Renseignez alors le corps en question en sélectionnant notre première révolution :

Image utilisateur

Comme on peut le voir sur cette vue en coupe, il y a encore une chose à faire pour le cylindre :

Image utilisateur

Il suffit de refaire un enlèvement de matière :

Image utilisateur

La pièce est terminée ! :D


Le carter 1/3 Le carter 3/3

Le carter 3/3

Le carter 2/3 L'assemblage

Le carter 3/3

La pièce que nous allons maintenant réaliser est donc la troisième partie du carter. Elle ressemblera à ceci :

Image utilisateur

Commençons par une révolution :

Image utilisateur

Ajoutez ensuite un plan à 30mm au dessus du plan de dessus :

Image utilisateur

Sur ce plan, créez une esquisse comme ceci :

Image utilisateur

Effectuez un extrusion "jusqu'au corps", puis enlevez de la matière :

Image utilisateur

Et voilà !


Le carter 2/3 L'assemblage

L'assemblage

Le carter 3/3 Exercice : Une courroie

L'assemblage

Passons maintenant à l'assemblage de toutes nos pièces.
Commençons par placer les pièces qui ne bougerons pas, à savoir les carters. Placez pour commencer le carter n°2. Il sera fixé automatiquement.
Ajoutez le carter n°1. Appliqez lui une contrainte coaxiale avec le carter n°2 comme ceci :

Image utilisateur

Collez les deux faces :

Image utilisateur

Maintenant, pour mieux s'y retrouver, mettez le carter n°2 en transparence. Ajoutez le carter n°3. Appliquez lui une contrainte coaxiale :

Image utilisateur

Laissez le comme ça pour l'instant. Vous pouvez également le mettre en transparence. ;)
Ajoutez le vilebrequin. Il doit lui aussi être coaxial :

Image utilisateur

Appliquez une contrainte de coïncidence entre ces deux faces :

Image utilisateur

Maintenant, nous allons assembler notre piston. Ajoutez le piston, la bielle et l'axe.
Pour contraindre le piston et l'axe, sélectionnez grâce à l'arbre de création les plans de face de ces pièces. Appliquez leur une contrainte de coïncidence :

Image utilisateur

Faites correspondre les trous avec à une contrainte coaxiale :

Image utilisateur

Faites de même pour la bielle :

Image utilisateur

Plcez ensuite le piston dans son cylindre, puis la bielle dans l'axe du vilebrequin :

Image utilisateur

Ajoutez le joint :

Image utilisateur

Faites coïncider les deux faces suivantes :

Image utilisateur

Et voici votre moteur !

Image utilisateur

Essayez maintenant de faire tourner le vilebrequin, vous verrez que le piston bouge aussi, comme un vrai moteur ! :D
Vous pouvez l'améliorer bien sur, rajouter des pièces comme des vis par exemple, mettre des couleurs, ...


Le carter 3/3 Exercice : Une courroie

Exercice : Une courroie

L'assemblage Introduction

Introduction

Exercice : Une courroie Les pièces

Introduction

Cet exercice proposera un exemple de l'utilisation de la fonction "courroie" sur SolidWorks. Il s'agit d'un exercice et non d'un TP, nous allons ensemble, pas à pas, réaliser notre exemple de courroie. ;)

Voici le résultat final :

Image utilisateur

Mais tout d'abord, pour ceux qui l'ignoreraient, une courroie est une bande souple servant à transmettre un mouvement d'une poulie à une autre. Les poulies étant les "roues" grises sur le résultat final ci-dessus.
On trouve des courroies dans les moteurs d'automobile par exemple (courroie de transmission, ...).


Exercice : Une courroie Les pièces

Les pièces

Introduction La courroie

Les pièces

Les poulies

Une simple révolution avec ce profil :

Image utilisateur

L'exercice se porte surtout sur la fonction courroie, vous n'êtes pas obligé de suivre mes cotes au milimètre près. ;)
Effectuez la révolution, puis trouez la pièce comme ceci :

Image utilisateur
Le support

Le support sera très simple, une planche avec quatre trous.
Voici l'esquisse :

Image utilisateur

La position des trous n'a pas d'importance, mais veillez à ne pas trop les rapprocher.
Effectuez une petite extrusion pour finir :

Image utilisateur
L'assemblage

Je vous laisse le faire, ce n'est pas bien compliqué !

Image utilisateur

Introduction La courroie

La courroie

Les pièces Exercice : Une Lamborghini !

La courroie

Pour créer une courroie dans SolidWorks, c'est très facile !
Dans l'assemblage, cliquez sur "Courroie/Chaîne" :

Image utilisateur

Ensuite, dans le panneau qui s'affiche, sélectionnez les faces des poulies où cette dernière passera, et cochez la case "Créer une pièce courroie" :

Image utilisateur

Validez en appuyant sur :

Image utilisateur

Comme vous pouvez le constater, votre courroie s'est mise en place !

Mais ce n'est qu'un trait gris ! :euh:

Et oui ! Ce n'est pas encore terminé. Ouvrez la pièce courroie :

Image utilisateur

Appliquez une extrusion à l'esquisse qui s'y trouve avec les caractéristiques suivantes :

Image utilisateur

Enregistrez, puis revenez à votre assemblage. Voici le résultat :D !

Image utilisateur

Essayez de tourner les roues, vous pouvez voir que la courroie transmet bien le mouvement !


Les pièces Exercice : Une Lamborghini !

Exercice : Une Lamborghini !

La courroie Présentation

Voici donc un exercice un peu plus détourné de l'utilisation de SolidWorks que les autres : apprendre pas à pas à modéliser une Lamborghini Aventador. Vous vous êtes tous dit après avoir un peu touché à SolidWorks (ou tout autre logiciel de 3D) : "Et si je modélisais une voiture ?". Il s'agit d'une opération assez compliquée.

Prêts à modéliser une Lamborghini Aventador grâce à SolidWorks ?! :soleil:

Présentation

Exercice : Une Lamborghini ! Mise en place des Blueprints

Présentation

Comme je vous l'ai dit dans l'introduction, dessiner une voiture sur SolidWorks est une tache compliquée et assez longue (10 à 15 heures).

Il s'agit d'approfondir vos connaissances en matière de surfaces de façon ludique et moins réglementaire.

Vous avez de la chance ! Les tutoriels pour la création de voitures sur SolidWorks sont rares sur internet et sont le plus souvent payant (25-80$)

Voici comment l'exercice va se présenter : chaque vidéo de 15 minutes constituera une partie. Chaque partie aura également un résumé de la vidéo.

A vos souris ! :D


Exercice : Une Lamborghini ! Mise en place des Blueprints

Mise en place des Blueprints

Présentation La carrosserie et les roues

Mise en place des Blueprints

Nous commençons donc avec la mise en place d'un élément fondamental pour toute modélisation de voitures dans quelque logiciel que ce soit : Les Blueprints.

http://www.youtube.com/v/V71WJkLuZq4

Résumé

Voici les fichiers :

Image utilisateur
Image utilisateur
Image utilisateur
Image utilisateur

Présentation La carrosserie et les roues

La carrosserie et les roues

Mise en place des Blueprints

La carrosserie et les roues

Attaquons la carrosserie !

http://www.youtube.com/v/SujOmWT8oJM

Résumé

http://www.youtube.com/v/b1ny_3M-j6U

Résumé

http://www.youtube.com/v/UBid336ecLE

Résumé

http://www.youtube.com/v/ARkxFlDk7Bs

Résumé

http://www.youtube.com/v/ysoYg8hew2g

Résumé

http://www.youtube.com/v/1hfqVNcVLv8

Résumé

http://www.youtube.com/v/jSU_sS6cJUo

Résumé

http://www.youtube.com/v/E5te63UjSUU

Résumé

http://www.youtube.com/v/sjL2HWzju3s

Résumé

http://www.youtube.com/v/M8jxRRJT4XY

Résumé

http://www.youtube.com/v/GT8Htr3zrD8
http://www.youtube.com/v/bswm0CuKosM

La pièce que l'on pourrait qualifier de "pare-choc avant" est modélisé en volumique.

Eh bien voilà, ce tutoriel sur SolidWorks s'achève ici !

Vous êtes devenus des pros, et vous êtes maintenant capables de réaliser plein de projets différents sur ce logiciel ! ;)
Mais la clé pour progresser dans le domaine de la CAO en général est la pratique.

Je tiens à remercier coma94 ainsi que Coyote, les validateurs qui se sont occupés de la relecture et de la validation du tutoriel, et qui m'ont corrigé.
Et bien sûr, merci à vous, lecteurs ! :D

Romaingin


Mise en place des Blueprints